Manual de mantenimiento y reparaciones Dodge Stratus
Tablero de conexiones
- Introducción
- Lubricación y mantenimiento
- Suspensión
- Diferencial y sistema de transmisión
- Frenos
- Embrague
- Sistema de refrigeración
- Batería y Sistema de carga
- Motor de arranque
- Sistema de encendido
- Tablero de instrumentos e indicadores
- Sistemas de audio y Claxon
- Sistema de control de velocidad del vehículo
- Señales de giro y destellador
- Sistema de limpiaparabrisas y lavaparabrisas
- Luces
- Sistemas de distribución de tensión
- Cerradoras de puertas automáticas
- Sistema de antirrobo del vehículo
- Sistema inmovilizador
- Elevalunas eléctricos
- Sistema de timbre de advertencia/recordatorio
- Diagramas de cableado
| |
- Como interpretar los diagramas stratus
- Diagramas de Aire acondicionado-Calefactor
- Diagramas de Asientos servoasistidos
- Diagramas de puertas automáticas
- Diagramas de Claxon, encendedor, corriente
- Diagramas de Control de velocidad
- Diagramas de Desempañador trasero
- Diagramas de Distribución de masa
- Diagramas de Distribución de tensión
- Diagramas de Elevalunas eléctricos
- Diagramas de Espejos eléctricos
- Espigas de conectores
- Diagramas de Frenos antibloqueo
- Diagramas de Grupo de instrumentos
- Diagramas de Iluminación
- Índice de componentes
- Información sobre empalmes
- Diagramas de Limpiadores
- Localización de empalmes
- Localización de conectores y de masas
- Diagramas de Módulo de control de la carrocería
- Diagramas de Señales de giro
- Diagramas de Sistema de airbag
- Diagramas de Sistema de arranque
- Diagramas de Sistema de carga
- Diagramas de Sistema de combustible y encendido
- Diagramas de Sistema de control de la transmisión
- Diagramas de Sistema de seguridad antirrobo
- Diagramas de Sistemas de audio
- Tablero de conexiones
- Diagramas de Techo solar automático
|
|
- Sistema de escape y tubo múltiple de admisión
- Motor parte I, Motor parte II, Motor parte III, Motor parte IV
- Sistema de combustible
- Dirección
- Transeje
- Neumáticos y ruedas
- Carrocería
- Calefacción y aire acondicionado
- Sistemas de control de emisiones
Diagramas
Tablero de conexiones
Esta solo es una pequeña lección
de ejemplo, para descargar el manual completo Dale
click aquí
Parte superior de tablero de conexiones

Parte inferior de tablero de conexiones

Fusibles
Número
de Fusible |
Amperios |
Circuito protegido por fusible |
Circuito de alimentación |
1 |
30 |
C1 12DG |
Interno |
2 |
10 |
Interno |
Interno |
3 |
10 |
Interno |
Interno |
4 |
15 |
Interno |
Interno |
5 |
10 |
Interno |
Interno |
6 |
10 |
Interno |
Interno |
7 |
20 |
Interno |
Interno |
8 |
20 |
Interno |
Interno |
9 |
15 |
Interno |
Interno |
10 |
20 |
L92 18LG * |
Interno |
| Interno ** |
Interno |
11 |
10 |
Interno |
A81 20DG/RD |
12 |
10 |
Interno |
Interno |
13 |
20 |
Interno |
Interno |
14 |
10 |
X12 16RD/WT |
Interno |
15 |
10 |
Interno |
Interno |
16 |
10 |
F23 18WT |
Interno |
17 |
10 |
F14 18LG/YL |
Interno |
Disyuntores de circuito
| D.C |
Amperios |
Circuito protegido por fusible |
Circuito de alimentación |
1 |
20 |
F35 16RD |
Interno |
2 |
20 |
Interno |
Interno |
* Fabricado para exportación
** Excepto fabricado para exportación
Rele de retardo de faros
| Cavidad |
Circuito |
Función |
1 |
Interno |
Control de rele de retardo de faros |
2 |
Interno |
B (+) Protegido por fusible |
3 |
Interno |
B (+) Protegido por fusible |
4 |
-- |
-- |
5 |
Interno |
Salida del rele de retardo de faros |
Rele de claxón
| Cavidad |
Circuito |
Función |
6 |
Interno |
Control de rele de retardo de faros |
7 |
Interno |
B (+) Protegido por fusible |
8 |
Interno |
B (+) Protegido por fusible |
9 |
-- |
-- |
10 |
X2 18DG/PK |
Salida del rele de claxón |
| X2 18DG/PK |
Salida del rele de claxón |
Rele de desempañador de luneta trasera
| Cavidad |
Circuito |
Función |
11 |
A4 12BK/PK |
B (+) Protegido por fusible |
12 |
Interno |
Salida del rele del desempañador de la luneta trasera |
13 |
Interno |
Control de rele de desempañador de luneta trasera |
15 |
Interno |
Salida del conmutador del encendido protegido por fusible (RUN/ACC) |
Módulo de luces de funcionamiento diurno
| Cavidad |
Circuito |
Función |
1 |
Interno |
Salida de luz de cruce izuierda protegida por fusible |
2 |
Interno |
B(+) Protegido por fusible |
3 |
-- |
-- |
4 |
Interno |
Salida de luz de carretera derecha protegido por fusible |
5 |
Interno |
Salida del conmutador del encendido protegido por fusible (RUN) |
6 |
Interno |
Impulsor de indicador rojo de advertencia de freno |
7 |
-- |
|
8 |
Interno |
Masa |
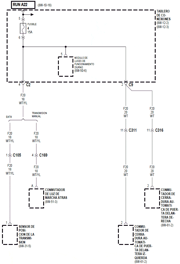
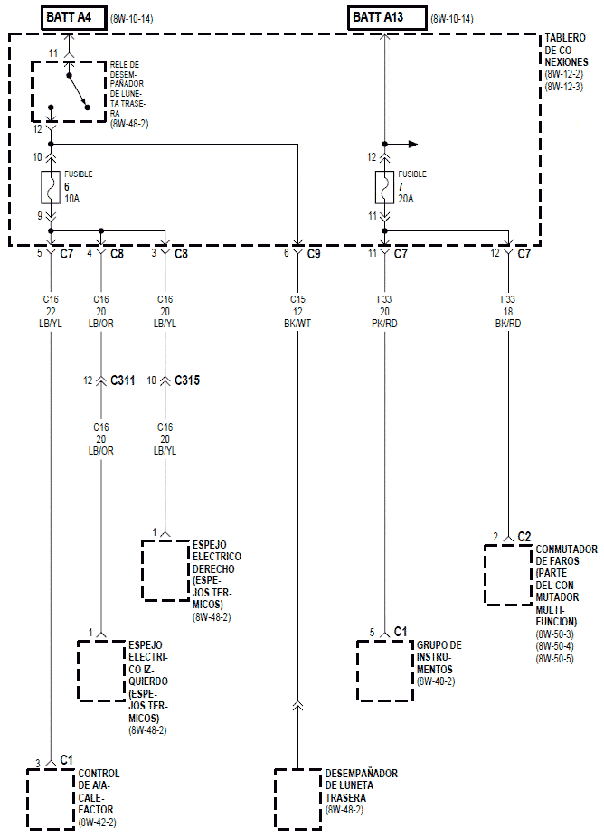
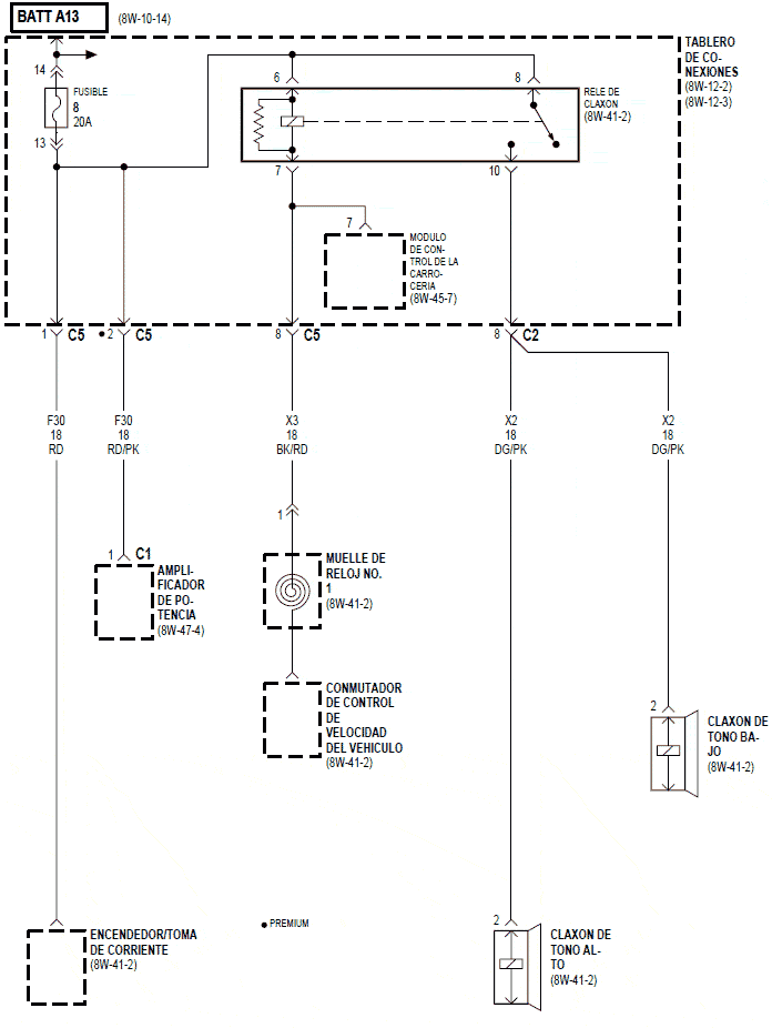
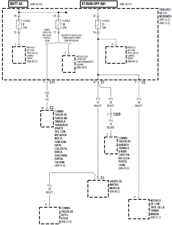
Antes de empezar a trabajar con los diagramas nosotros te sugerimos empezar por la sección Como interpretar los diagramas stratus
Tablero de conexiones
Tablero de conexiones

Tablero de conexiones

Tablero de conexiones

Tablero de conexiones

Tablero de conexiones

Tablero de conexiones

Tablero de conexiones

Tablero de conexiones

Tablero de conexiones

Tablero de conexiones

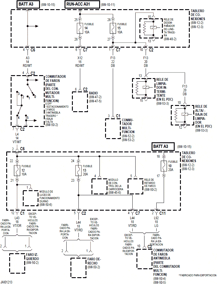
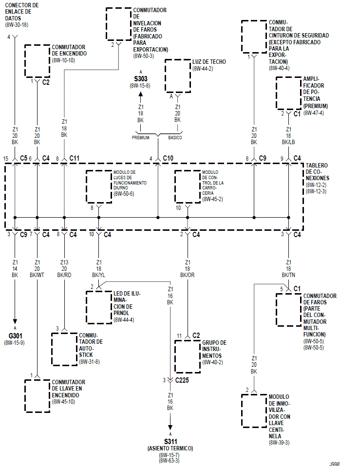
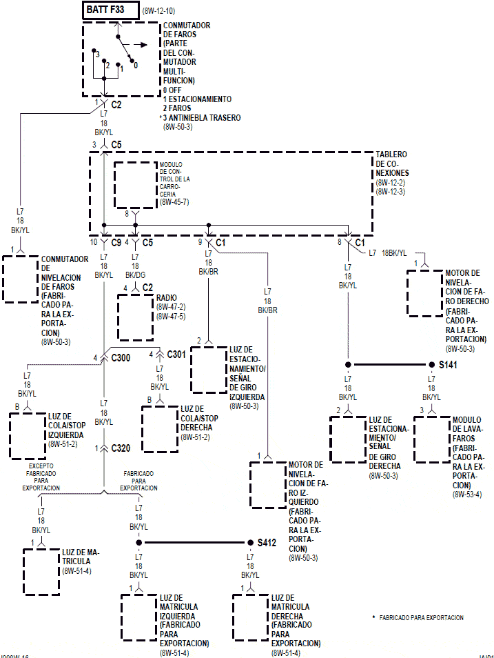
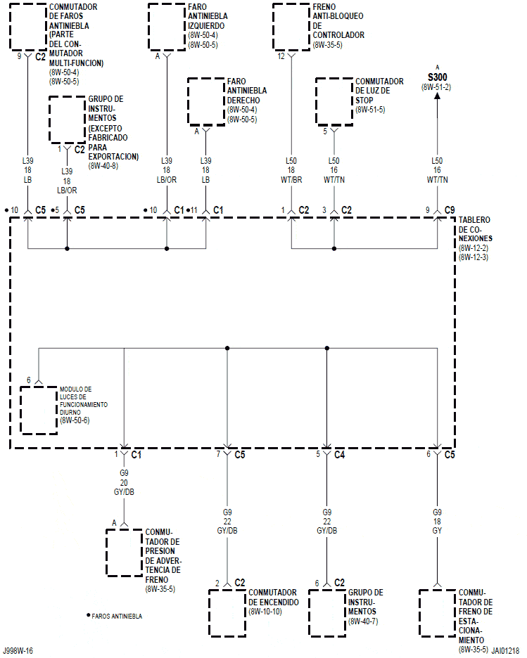
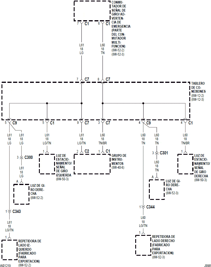
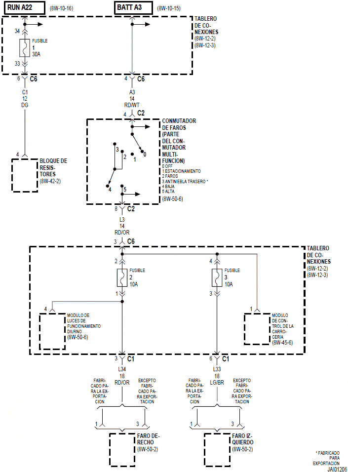
Diagrama 12 Tablero de conexiones página 57

Tablero de conexiones

Tablero de conexiones

Esta solo es una pequeña lección
de ejemplo, para descargar el manual completo Dale
click aquí
|