
Motronic 5.9.2 y sistema de desaireación del depósito USA

Descripción general del sistema Motronic 5.9.2
La nueva Motronic 5.9.2 se distingue por una mayor facilidad de arranque del motor, un menor consumo de combustible y una reducción de las emisiones de escape. La Motronic 5.9.2 satisface las exigencias planteadas por la legislación OBD II. Verifica continuamente las emisiones contaminantes. Las funciones anómalas se visualizan oportunamente a través del testigo MIL.
Sensores de la Motronic 5.9.2
- Medidor de la masa de aire G70 con transmisor de temperatura en el colector de admisión G72
- Transmisor de régimen del motor G28
- Transmisor Hall G40
- Sondas lambda G39 y G108
- Unidad de mando de la mariposa J338 con conmutador de ralentí F60, potenciómetro de la mariposa G69, y potenciómetro actuador de la mariposa G88
- Transmisor de temperatura del líquido refrigerante G62
- Sensores de picado G61 y G66- Conmutador de luz de freno F y conmutador de pedal de freno F47
- Conmutador de pedal de embrague F36
Actuadores de la Motronic 5.9.2
- Bomba de combustible G6 y relé de bomba de combustible J17
- Inyectores desde N30 hasta N33
- Doble bobina de encendido N152
- Electroválvula para depósito de carbón activo N80
- Calefacciones Z19 y Z28 para sondas lambda
- Actuador de la mariposa V60 en la unidad de mando de la mariposa J338
- Motor para bomba de aire secundario V101 y relé para bomba de aire secundario J299
- Válvula de inyección de aire secundario N112
- Bomba para el diagnóstico de fugas V144
- Testigo de aviso MIL K83 (Malfunction Indicator Lamp)
Señales suplementarias de la Motronic 5.9.2
ver sección esquema de funciones
Distribución estática de la alta tensión de encendido
La doble bobina de encendido N152 viene a sustituir a la combinación de la bobina de encendido simple con distribuidor. Se instala sobre el bloque motor, encima de la carcasa del filtro de aceite.
La doble bobina de encendido trabaja con una chispa adicional perdida, alimentando respectivamente la tensión de encendido para dos bujías:
- Las bujías de los cilindros 1 y 4 (N30, N33)
- Las bujías de los cilindros 2 y 3 (N31, N32)

Una pareja de cilindros alcanza siempre simultáneamente el punto muerto superior. Un cilindro se halla en la carrera de compresión y el otro en la de escape.
Ambas bujías producen la chispa simultáneamente, perdiéndose siempre una sin efecto en la carrera de escape (waste spark).
Después de que el cigüeñal ha dado una vuelta más de 360° se repite el encendido para ambos cilindros, produciendo respectivamente una chispa en la carrera de compresión y otra en la de escape.
En la otra pareja de cilindros, las operaciones de encendido se desarrollan de forma análoga, decalada a 180¡ del cigüeñal.
Medidor de la masa de aire con transmisor de temperatura en el colector de admisión
El nuevo medidor de la masa de aire por película caliente G70 con detección de flujo inverso mide el aire aspirado, procediendo de una forma mucho más exacta. Ello mejora la calidad de la mezcla de combustible y aire, lo cual se traduce en un menor nivel de emisiones contaminantes de escape y un menor consumo de combustible. El nuevo elemento sensor va protegido en una ampolla de vidrio. De esa forma se le protege contra impurezas en el aire aspirado, tales como vahos de aceite y humedad.
El elemento sensor consta de dos termosensores antes y después del elemento de calefacción. Con este principio de medición se registran los flujos inversos del aire aspirado.
El transmisor de temperatura en el colector de admisión G72 está integrado ahora en el medidor de la masa de aire por película caliente. Se instala en la carcasa sensora que se asoma hacia el conducto de aire de admisión.
Transmisor Hall
El transmisor Hall G40 detecta la posición del árbol de levas y se utiliza ahora, entre otras cosas, como transmisor de arranque rápido.
Con la anulación del árbol intermediario y del distribuidor de encendido para el motor de 2,0 ltr. fue necesario instalar el transmisor Hall en una nueva posición.
Se encuentra ahora detrás de la rueda impulsora del árbol de levas.
La rueda generatriz de impulsos va adosada ahora a la rueda de impulsión del árbol de levas.

Dos ventanillas de exploración en la rueda generatriz de impulsos son largas y dos ventanillas son cortas. Debido a ello se generan secuencias de Señales características para la detección de cada 90¡ de giro del cigüeñal. La unidad de control del motor detecta así la posición del árbol de levas y gestiona la inyección del combustible y el encendido, antes de que el motor haya alcanzado la media vuelta (transmisor de arranque rápido). De ese modo mejora el comportamiento de arranque en frío. Durante la fase del arranque en frío se produce así un menor nivel de emisiones de escape.
Programador de velocidad
El programador de velocidad en el New Beetle con motor de 2,0 ltr. se puede suministrar como equipo opcional.
Se ha anulado la bomba de vacío y el actuador de vacío para el accionamiento de la mariposa.
La unidad de control para Motronic J220 regula el programador de velocidad a través de la unidad de mando de la mariposa J338.
El actuador de la mariposa V60 está implementado con un mayor margen operativo, que se encarga de mantener más estable la velocidad de crucero programada por el conductor.

En vehículos con programador de velocidad se montan dos conmutadores de pedal de embrague.
El conmutador de pedal de embrague F36 suministra a la unidad de control del motor una Señal destinada a desactivar el programador de velocidad.
Aparte de ello se anula el funcionamiento del amortiguador para la válvula de mariposa, con objeto de conseguir una adaptación más rápida del régimen del motor en caso de reducirse la velocidad con el embrague en posición desembragada.
No es componente de la Motronic
El conmutador de pedal de embrague F194 se encarga de accionar el relé de bloqueo para el motor de arranque J434, en cuyo caso el motor ya sólo puede ser puesto en funcionamiento estando pisado el embrague.
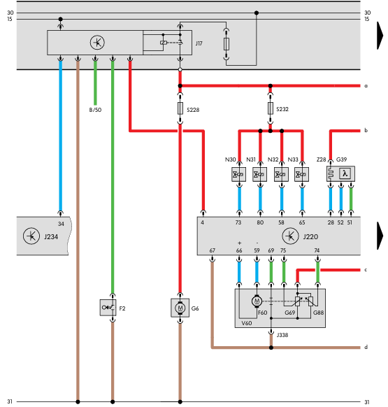
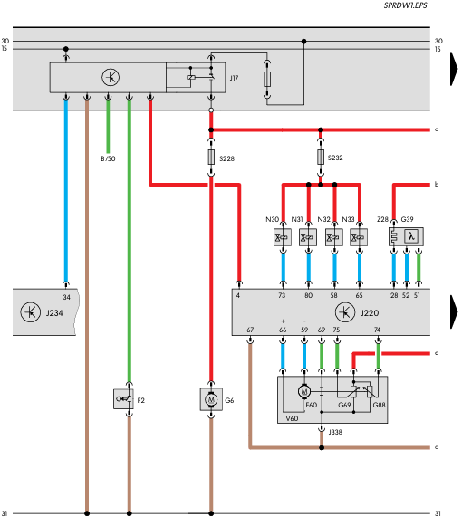
Esquema de funciones Motronic M 5.9.2
Leyenda:
E45 Conmutador para programador de velocidad
E227 Pulsador para programador de velocidad
F Conmutador de luz de freno
F36 Conmutador de pedal de embrague
F47 Conmutador de pedal de freno (integrado con el componente F)
F60 Conmutador de ralentí (en el J338)
G6 Bomba de combustible
G28 Transmisor de régimen del motor
G39 Sonda lambda
G40 Transmisor Hall
G61 Sensor de picado 1
G62 Transmisor de temperatura del líquido refrigerante
G66 Sensor de picado 2
G69 Potenciómetro de la mariposa (en el J338)
G70 Medidor de la masa de aire
G72 Transmisor de temperatura en el colector de admisión
G88 Potenciómetro de la mariposa (en redundancia con G69)
G108 Sonda lambda 2
J17 relé de bomba de combustible
J220 Unidad de control para Motronic
J299 relé para bomba de aire secundario
J338 Unidad de mando de la mariposa
K83 Testigo de aviso MIL (Malfunction Indicator Lamp)
N30 hasta Inyectores 1 - 4
N33
N80 Electroválvula para depósito de carbón activo
N112 Válvula de inyección de aire secundario
N152 Doble bobina de encendido
V101 Motor para bomba de aire secundario
V144 Bomba para el diagnóstico de fugas
Z19 Calefacción para sonda lambda
Z28 Calefacción para sonda lambda 2
Señales suplementarias:
1 Climatizador
2 Compresor para climatizador
3 CAN-Bus low
4 CAN-Bus high
5 Nivel de combustible en depósito
6 Habilitación memoria de programas
7 Señal de velocidad
8 Señal de régimen (TD)
9 Señal de consumo de combustible
Esquema de funciones Motronic M 5.9.2 versión US



Esquema de funciones Motronic M 5.9.2 versión RDW



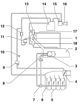
Sistema de desaireación del depósito
Representación esquemática
El sistema de desaireación del depósito evita que los hidrocarburos puedan escapar al medio ambiente, incluso al repostar. Los vahos y vapores de combustible que se hallan en el depósito se acumulan en un depósito de carbón activo y, al estar el motor en funcionamiento, se alimentan hacia el colector de admisión a través de una válvula electromagnática. El sistema de desaireación del depósito está implementado con una función de diagnóstico de fugas, atendiendo a lo establecido para OBD II.
Leyenda:
1 Chapaleta de repostaje
2 Depósito de combustible
3 Bomba de combustible
4 Válvula de mariposa
5 Grupo de admisión
6 Distribuidor de combustible con inyectores
7 Regulador de presión de combustible
8 Filtro de combustible
9 Electroválvula para depósito de carbón activo
10 Empalme para medir la presión del combustible
11 Válvula de cierre por vuelco
12 Válvula presostato
13 Válvula de desaireación
14 Depósito de carbón activo
15 Bomba para el diagnóstico de fugas
16 Filtro para la bomba de diagnóstico de fugas
17 Depósito de desaireación durante el funcionamiento
18 Depósito de desaireación durante el repostaje

Cuadro general de funciones
A partir del modelo 1998, los vehículos en versión US tienen que ser equipados con un sistema de desaireación del depósito, el cual no permita que escapen vapores de combustible (hidrocarburos) a la atmósfera durante el repostaje. Este sistema de desaireación del depósito necesita un depósito de carbón activo de mayores dimensiones, tubos de desaireación de mayor diámetro y una nueva válvula de desaireación.
Cuadro general del sistema - Función al repostar

Cuadro general del sistema - Función al circular

Función al repostar
Chapaleta de repostaje
La chapaleta de repostaje está pretensada por medio de un muelle y cierra la boca de llenado en el extremo superior. Al repostar se abre la chapaleta de repostaje al introducir la pistola del surtidor en la boca de repostaje. La estrecha sección del manguito de llenado actœa conjuntamente con la pistola del surtidor, haciendo las veces de un Òsello líquidoÒ al cargar combustible. De esa forma se evita la salida de vapores de combustible.
La geometría del manguito de llenado genera adicionalmente un Òefecto VenturiÒ en la pistola del surtidor (efecto eyector), y retiene así el vapor del combustible en el depósito. Al abrir la chapaleta de repostaje gira solidariamente un disco de leva, encargado de accionar mecánicamente la válvula de desaireación.

Válvula de desaireación al repostar
Durante el repostaje, la válvula de desaireación se halla accionada de forma mecánica y cierra el tubo de desaireación procedente del depósito para la desaireación durante el funcionamiento.
Únicamente es posible la desaireación a través del depósito de desaireación para el repostaje, hacia el depósito de carbón activo.
Al repostar va subiendo el nivel de combustible en el depósito de desaireación para repostaje. Una válvula de gravedad por flotador cierra el depósito, evitando el paso del combustible hacia los tubos de desaireación y hacia el depósito de carbón activo
Función con el vehículo en circulación
Válvula de desaireación con el vehículo en circulación
Estando el vehículo en circulación, la válvula de desaireación cierra el tubo grande para desaireación hacia el depósito de carbón activo.
En esta posición, los vapores de combustible procedentes del depósito de desaireación durante el funcionamiento y también los vapores procedentes del depósito de desaireación para el repostaje se alimentan a través del manguito y tubo de llenado hacia la válvula de cierre por vuelco.
La válvula de cierre por vuelco impide que el combustible llegue hasta el sistema de desaireación del depósito al hacer curvas extremadamente forzadas o en caso de volcarse el vehículo.
Estando el vehículo en circulación, todos los vapores de combustible pasan a través de la válvula de cierre por vuelco y de la válvula presostato.
A partir de una pieza en T, los vapores de combustible se alimentan ya sea a través de la electroválvula para depósito de carbón activo hacia el grupo de admisión ante la válvula de mariposa o bien se alimentan hacia el depósito de carbón activo. Esto lo determina la Motronic a base de abrir correspondientemente la electroválvula.

Función con el vehículo en circulación
Válvula presostato
La válvula presostato se encuentra cerrada hasta una presión preajustada de aprox. 0,25 mbar. De esa forma se genera una ligera sobrepresión en el depósito de combustible, reduciéndose la evaporación del combustible.
A partir de una presión de 0,25 mbar, la válvula presostato abre, dejando pasar los vapores de combustible a través de la pieza en T hacia el depósito de carbón activo o bien hacia la electroválvula para depósito de carbón activo N80.
Si está abierta la válvula N80 se produce una depresión en el tubo de desaireación, en virtud de lo cual los vapores de combustible del depósito de carbón activo pasan hacia el motor.
En ese caso, la válvula presostato cierra, evitando la aspiración de vapores hacia el depósito de combustible.
Durante el ciclo de desaireación del depósito de carbón activo, la bomba para el diagnóstico de fugas aspira aire a través de su filtro.
Al repostar, la válvula presostato se mantiene abierta, para permitir el reflujo de aire fresco a través de la bomba para el diagnóstico de fugas y a través del depósito de carbón activo hasta el depósito de combustible.

Diagnóstico de fugas
El diagnóstico de fugas para el sistema de desaireación del depósito es parte integrante de OBD II. Se basa en un procedimiento de sobrepresión, destinado a la localización de fugas con un diámetro superior a 1 mm.
Para la secuencia de operaciones de diagnóstico, la electroválvula para depósito de carbón activo N80 y la válvula de descarga del condensado N115 separan el sistema de desaireación del depósito con respecto a la atmósfera, por intervención de la unidad de control Motronic J220.
después de ello, la bomba para el diagnóstico de fugas genera una presión positiva definida.
Leyenda:
1 Unidad de control Motronic
2 relé de control
3 Electroválvula para depósito de carbón activo
4 Filtro para bomba de diagnóstico de fugas
5 Bomba para el diagnóstico de fugas
6 Válvula de descarga del condensado
7 Depósito de carbón activo

La bomba para el diagnóstico de fugas (LDP) es una bomba de diafragma.
La LDP se acciona por vacío, captado en el colector de admisión. En el curso de la medición se vigila
la LDP mediante un conmutador por contacto de Reed. Si la presión en el sistema de desaireación del depósito desciende por debajo de un valor definido abren los contactos del conmutador de Reed.
La bomba efectœa una carrera más con el diafragma, de modo que cierren de nuevo los contactos de Reed.
De esa forma, la frecuencia de alimentación de la LDP constituye la medida que permite detectar una fuga. El nivel de combustible en el depósito no influye sobre el resultado del diagnóstico.
El diagnóstico de fugas está descrito con todo detalle en el programa autodidáctico SSP 175.
Diagnóstico
Empalme para comprobar la presión del combustible
En el sistema de desaireación del depósito está integrado un empalme para medir la presión del combustible.
En los Estados en los que rige la norma sobre emisiones IM240 se exige que los vehículos están equipados con este empalme de comprobación.
Se requiere para comprobar la presión del combustible en el Servicio Post-Venta y en la producción.
La válvula de una vía va instalada con una pieza en T, en el tubo de desaireación ante la electroválvula para el depósito de carbón activo, en la torreta derecha de la suspensión. Lleva una caperuza de protección, que facilita la localización del empalme para comprobar la presión del combustible.

Diagnóstico del sistema
El sistema de desaireación del depósito es vigilado por la Motronic dentro del marco del diagnóstico de a bordo segœn OBD II.
En virtud de que la retención de los vapores de combustible durante el repostaje se realiza por medio de un sistema netamente mecánico, no es posible comprobar su funcionamiento con los lectores de averías V.A.G 1551 o 1552 ni con ayuda del sistema OBD II.
Indice de temas
|