Manuales
Gratis
  Manuales
Volkswagen 
  Manuales
Ford 
  Manuales
Nissan 
  Otras
Marcas
 

Manual de Mantenimiento y Reparaciones Chevrolet Astra

atlantic atlantic  
  • Motor
  • Resumen sección agregados del motor
  • Sistema de enfriamiento
  • Sistema de combustible
  • Embrague
  • Transmisión manual
  • Transmisión automática
  • Dirección
  • Suspensión
  • Frenos
  • Sistema eléctrico
  • Diagramas eléctricos
  • Control de emisiones
  • Carrocería
  • Lubricación y mantenimiento
  • Tablas de conversión

 

Resumen sección Agregados del Motor

Informaciones Generales

En las operaciones en las que fuese necesario desconectar el cable negativo de la batería, programe nuevamente la memoria de los componentes electrónicos implicados, después de conectar nuevamente la batería y, si fuese necesario, informe al cliente que los códigos de la radio han sido borrados.


– Cuando fuese a quitar las ruedas del vehículo, marque la posición de la rueda en cuanto al cubo de la rueda. Esta marca se debe considerar cuando fuese a efectuar el procedimiento de instalación. Inspeccione en cuanto a suciedad entre el disco y el cubo y entre el cubo y la rueda. Todas las superficies de asentamiento deben estar limpias, planas y sin rebabas.


– Todas las conexiones roscadas, tornillos y tuercas instaladas con compuestos selladores se deben limpiar con equipamientos adecuados. Cuando fuese a instalar los tornillos, aplique nuevamente compuesto sellador químico especificado en el manual.

– Pasadores de chaveta, tuercas y tornillos autotrabantes siempre que fuesen aflojados o quitados se deben obligatoriamente reemplazar.


– Las leyes pertinentes a la protección del medio ambiente, a la salud y a la seguridad del trabajo (involucrando materiales que inflaman fácilmente y ofrecen riesgo de explosión) se deben respetar.


– Los vapores de fluido de refrigeración son más pesados que el aire (en altas concentraciones) – ¡riesgo de asfixia!


– El fluido de refrigeración es tóxico, no se puede ingerirlo.


– En servicios efectuados en el compartimiento del motor, no se puede olvidar que el ventilador podría empezar a funcionar automáticamente – ¡riesgo de heridas!


– Mientras el motor esté funcionando, no toque las piezas que conducen alta tensión (por ejemplo: sistema de encendido) – ¡alta
tensión!


– Antes de efectuar servicios en los que haya el riesgo de cortocircuito, se debe desconectar el cable negativo de la batería. Esta
recomendación también es válida cuando fuese a utilizar soldadura eléctrica en el vehículo


– Para carga lenta o rápida de la batería, la misma debe estar desconectada de la red eléctrica del vehículo. Jamás utilice carga rápida cuando fuese a arrancar el motor.


– Esté seguro de que los bornes de la batería estén perfectamente asentados y apretados.


– Mazos de conductores y canales de los cables que hayan sido aflojados o desarmados en reparaciones, se deben instalar nuevamente utilizando piezas genuinas Chevrolet (fijadores, hebillas, soportes de canales de cables, etc.) en las respectivas posiciones originales.


– En servicios de desarmado y armado del motor y transmisión se debe estar seguro en cuanto a la disposición de todas las onexiones a la masa. Conexiones incorrectas a la masa generan fallas en el sistema y pueden dañar los dispositivos de mando. Conexiones de mazos de conductores de los dispositivos de mando u otros componentes electrónicos jamás se deben desconectar o conectar con el encendido conectado. Grupo J - Motor y agregados del motor


– Cuando fuese a fijar piezas en el tornillo de banco, se debe obligatoriamente proteger los mordientes utilizando metal blando.


– Todas las piezas se deben inspeccionar en cuanto a indicios de desgaste y, si fuese necesario, se deben reemplazarlas.


– Las piezas desarmadas se deben poner sobre sitios limpios y cubiertos con hoja plástica – no utilizar trapos con hilachos. En caso de que la reparación no fuese efectuada inmediatamente, las piezas abiertas se deben cubrir cuidadosamente.


– Arme solamente las piezas limpias. Sólo quite las piezas nuevas del embalaje inmediatamente antes del armado.


– Las piezas desarmadas se deben poner sobre sitios limpios y cubiertos con hoja plástica – no utilizar trapos con hilachos. En caso de que la reparación no fuese efectuada inmediatamente, las piezas abiertas se deben cubrir cuidadosamente.


– Arme solamente las piezas limpias. Sólo quite las piezas nuevas del embalaje inmediatamente antes del armado.


– Jamás vacíe los tanques de combustible sobre fosos de mantenimiento. Los vapores de combustible bajan y quedan sobre el piso del foso – ¡riesgo de asfixia! Efectúe los servicios en plataformas de montacargas en embientes suficientemente ventilados.


– Para servicios en el tanque de combustible se deben poner avisos de peligro. No debe haber fuego o bombillas sin protectores en las adyacencias.


– Tuberías de combustible no se pueden fijar en las tuberías de freno, piezas movibles o bordes vivos. En las tuberías de combustible no se pueden fijar cables eléctricos.


– Fugas (aire falso) en el sistema de admisión y en el sistema de gases de escape antes del catalizador podrían llevar a mediciones incorrectas del sensor de oxígeno.


– El sensor de oxígeno no debe tocar productos a base de silicona.


– El sensor de oxígeno no se debe limpiar con combustible, ni tampoco debe tocar el mismo.


– Cuando fuese a utilizar nuevamente el sensor de oxígeno, lubrique la rosca con grasa especial. Las roscas de los sensores de oxígeno nuevos ya vienen lubricadas con grasa especial.


– La instalación de tubos de escape se debe armar sin que estén estirados y dispuestos según el perfil de la carrocería.


– La instalación de tubos de escape se debe probar en cuanto a fugas.


– Cuando fuese a reemplazar el escape y los respectivos componentes, utilice solamente piezas recomendadas para el vehículo.

– En todos los servicios efectuados en el sistema de escape hay el riesgo de quemaduras, mientras el mismo esté caliente.


– Los componentes interiores del motor se deben lubricar con aceite para motor antes de armarlos.


– Cuando fuese a reemplazar una pieza, inspeccione si todas las especificaciones y principalmente si las dimensiones de la nueva pieza están según la antigua. Utilice solamente piezas especificadas al efectuar el reemplazo.


– Antes de usar adhesivos, selladores, compuestos selladores, etc., inspeccione la fecha de validez de los mismos. Jamás utilice productos cuya fecha de validez esté expirada.


– Los valores de ajustes, regulaciones, pares de aprieto, dimensiones, etc., que no estén insertados en el texto, están descritos bajo “Especificaciones Técnicas.

Atención
– Utilice solamente piezas genuinas GM cuando fuese a reemplazar piezas o componentes.
– Todas las operaciones efectuadas por un técnico deben estar según la legislación local en cuanto a la sanidad, prevención de accidentes y protección ambiental. Número del motor (C18NE / C18YE / C20SE / C20NE / C20SEL)
– El número del motor está grabado en la superficie plana (lado de la transmisión) del bloque del motor; este número se debe grabar nuevamente en caso de reemplazo.

 


Consumo de aceite lubricante – medir

– El término “consumo de aceite” de un motor de combustión interior se refiere al volumen de aceite consumido en el proceso de combustión. Bajo ninguna hipótesis, se debe tomarlo por pérdida de aceite a causa de fugas en el cárter de aceite, en la tapa de la culata, etc.


– La función del aceite del motor es:
a. Separar, a través de una película, las superficies que presenten fricción, o sea, para que sea evitada la fricción en seco;
b. Eliminar el calor generado por la fricción;
c. Eliminar los residuos de combustión.


– Para que efectúe estas funciones, es necesario que sea consumido un volumen apropiado de aceite. El consumo se aceite ocurre a causa de factores operacionales exteriores – como el vehículo es conducido y a causa de las tolerancias de fabricación. Bajo condiciones normales, el consumo es tan bajo que, entre los intervalos especificados para cambio de aceite, no es necesario llenar hasta el nivel o esporádicamente es suficiente añadir una pequeña cantidad de aceite. El llenado, sin embargo, es necesario cuando el aceite estuviese abajo de la marca “MIN” de la varilla medidora de aceite. De la misma manera, no se debe añadir aceite excesivamente (pasando arriba de la marca “MAX” de la varilla medidora de aceite); esto lleva a consumo excesivo de aceite.

– El consumo de aceite es técnicamente indispensable; por lo tanto, cuando hubiese indicios de que el motor no está consumiendo el aceite, se puede concluir que el aceite está disuelto a causa de condiciones operaciones especiales. Arranques en frío frecuentes, conducir el vehículo bajo temperaturas muy bajas, etc. que causan el retorno del aceite hacia el cárter (este aceite presenta condensación y partículas de combustible). La “dilución” no significa que el motor no está consumiendo aceite. El aceite disuelto de esa manera reduce la eficiencia de lubricación y puede dañar el motor si los intervalos especificados para cambio de aceite no fuesen seguidos. Las principales causas para la dilución de aceite son: conducir principalmente en tráfico urbano y conducir frecuentemente bajo revoluciones insuficientes del motor o con el motor frío.

– El consumo de aceite empieza a estabilizarse después de algunos kilómetros de funcionamiento. Por lo tanto, las mediciones de consumo de aceite sólo se pueden considerar después de los 10.000 (aproximadamente). Antes de medir el consumo de aceite, asegúrese de que no haya fugas de aceite en el motor.


– La varilla medidora de aceite sólo se puede utilizar para la inspección; ¡no se debe utilizarla para efectuar medidicones! Se debe desconectar el motor, como mínimo, 2 minutos antes de efectuar la inspección del nivel de aceite. En caso de que, después de un cambio de aceite, el llenado máximo de aceite del motor no correspondiera a la marca de nivel máximo de la varilla medidora de aceite, esto probablemente es causado por las tolerancias de fabricación.


– Todas las informaciones sobre el consumo permitido de aceite del motor y los volúmenes para llenado se pueden encontrar en la Guía del Propietario.


Método de medición

1. Los procedimientos de inspección son efectuados con el vehículo en una superficie horizonal, con el motor bajo temperatura de funcionamiento (temperatura de aceite del motor 80oC/176oF).

2. Deje el motor funcionar en ralentí inmediatamente antes de purgar el aceite del motor.

3. Purgue el aceite del motor inmediatamente hasta gotear.

4. Deje siempre que el aceite del motor sea purgado hasta que el mismo empiece a gotear.

5. Deje que el aceite drenado del motor enfríe hasta alcanzar cerca de 20oC (68oF) (1 a 2 horas).

6. Determine la cantidad de aceite frío con un medidor (transparente, con 5 litros de capacidad) y añada aceite nuevo hasta el
volumen máximo de llenado (menos de 0,25 litro para el filtro de aceite del motor no reemplazado).

7. Con esa cantidad de aceite del motor, el cliente puede conducir normalmente (de la misma manera y recorridos habituales) por,
como mínimo, 1.000 km sin que fuera necesario cambiar el aceite del motor.

8. El procedimiento descrito arrima (1 a 4) se repite a continuación, con la misma duración, para la purga.

9. La cantidad de aceite del motor que falta en el medidor representa el consumo de aceite del motor/distancia recorrida.

Generalidades – Motor

– Las leyes pertinentes a la protección del medio ambiente, a la salud y a la seguridad del trabajo (involucrando materiales que inflaman fácilmente y ofrecen riesgo de explosión) se deben respetar.

– Los vapores de fluido de refrigeración son más pesados que el aire (en altas concentraciones) – ¡riesgo de asfixia!

– El fluido de refrigeración es tóxico, no se puede ingerirlo.

– En servicios efectuados en el compartimiento del motor, no se puede olvidar que el ventilador podría empezar a funcionar automáticamente – ¡riesgo de heridas!

– Mientras el motor esté funcionando, no toque las piezas que conducen alta tensión (por ejemplo: sistema de encendido) – ¡alta tensión!

– Antes de efectuar servicios en los que haya el riesgo de cortocircuito, se debe desconectar el cable de masa de la batería. Esta recomendación también es válida cuando fuese a utilizar soldadura eléctrica en el vehículo.

– Cuando se desconecta el cable negativo de la batería, son borradas las memorias de ciertos sistemas electrónicos (por ejemplo: elevacristales, pantalla de hora y fecha). Después de conectar nuevamente el cable negativo de la batería, es necesario programar nuevamente estas memorias y codificar nuevamente los dispositivos de audio.

– Para carga lenta o rápida de la batería, la misma debe estar desconectada de la red eléctrica del vehículo. Jamás utilice carga rápida cuando fuese a arrancar el motor.

– Esté seguro de que los bornes de la batería estén perfectamente asentados y apretados.

– Mazos de conductores y canales de los cables que hayan sido aflojados o desarmados en reparaciones, se deben instalar nuevamente utilizando piezas genuinas Chevrolet (fijadores, grapas, soportes de canales de cables, etc.) en las respectivas posiciones originales.

– En servicios de desarmado y armado del motor y transmisión se debe estar seguro en cuanto a la disposición de todas las conexiones a la masa. Conexiones incorrectas a la masa generan fallas en el sistema y pueden dañar los dispositivos de mando. Conexiones de mazos de conductores de los dispositivos de mando u otros componentes electrónicos jamás se deben desconectar o conectar con el encendido conectado.

– Cuando fuese a fijar piezas en el tornillo de banco, se deben utilizar obligatoriamente mordientes de metal blando.

– En fijaciones a través de tornillos armados con compuesto sellador, se deben labrar nuevamente las roscas interiores y las roscas
exteriores se deben limpiar. Los tornillos se deben instalar con compuesto sellador.

– Todas las piezas se deben inspeccionar en cuanto a indicios de desgaste y, si fuese necesario, se deben reemplazarlas.

– Las piezas desarmadas se deben poner sobre sitios limpios y cubiertos con hoja plástica – no utilizar trapos con hilachos. En caso de que la reparación no fuese efectuada inmediatamente, las piezas abiertas se deben cubrir cuidadosamente. Arme solamente las piezas limpias. Sólo quite las piezas nuevas del embalaje inmediatamente antes del armado.

 

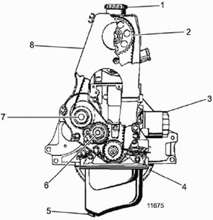
Alternador Quitar e instalar

Equipamento Necesarios

Montacargas

Llave de torsión

 

Instale o conecte
El soporte superior delantero y trasero de fijación del alternador, junto con los respectivos tornillos de fijación, solamente poniéndolos en posición.

Apriete
– Los tornillos de los soportes superior delantero y trasero:
– Soporte delantero: 20 N.m (15 lbf.pie).
– Soporte trasero 20 N.m (15 lbf.pie).

Efectue
– Levante el vehículo.
- Las hebillas de fijación de los mazos de conductores en el alternador.
- La correa de mando de los accesorios, vea “Correa de Mando de los Accesorios – Quitar e Instalar”.

Efectue
– Baje el vehículo.
- El filtro de aire.
- El cable negativo de la batería.

Efectue
- Quite el vehículo del montacargas.
- Programe nuevamente los componentes con memoria volátil.

Anillos del Ébolo - Reemplazar

Equipamiento necesarios
Alicantes para anillos

 


Árbol de Levas (C18NE / C18YE / C20SE / C20NE) – Quitar e Instalar o Reemplazar

Equipamientos necesarios
Llave de torsión

Herramientas necesarias
J-830601 Dispositivo para comprimir el resorte de la válvula del motor, con la culata instalada, usar con R-0006756
R-0006756 Dispositivo para comprimir los resortes de válvulas, usar con J-830601

 

Balancín Quitar e instalar

Herramientas Especiales

J-830601 Dispositivo para comprimir el resorte de la válvula del motor con culata instalada, usar con R-0006756.
R-0006756 Dispositivo para comprimir los resortes de válvulas, usar con J-830601.

1. El asiento de la válvula sobre la válvula.

2. El balancín en el respectivo asentamiento, lubricando los asentamientos con aceite de motor.

a. Descomprima el resorte de la válvula, aflojando la tuerca del huso de la herramienta.

b. Quite la herramienta especial J-830601 de la carcasa del árbol de levas.

3. La tapa del soporte del árbol de levas, vea “Tapa de Válvulas y / o Junta (C18NE / C18YE / C20SE / C20NE) – Quitar e Instalar o
Reemplazar”.

Bielas - Quitar e Instalar

Equipamientos necesarios

Tornillo de banco

Herramientas Especiales

M-840911-A Cabo universal para extractores e instaladores

J-8606014 Base para quitar el perno de émbolo

T-9806680 Extractor e instalador del perno del émbolo

 

Bomba de Aceite del Motor Inspeccionar y/o reemplazar

Equipamientos necesarios

Tornillo de banco

Llave de torsión

Calibre de espesor

 

Bloque del motor - Inspeccionar y/o Reacondicionar

Equipamientos Necesarios

Calibrador de cuadrante

Brunidor de cilindros

Remoción

Quite o desconecte

1. El motor del vehículo, vea “Motor Completo (C20SEL) – Quitar e Instalar” o “Motor Completo (C18NE / C18YE / C20SE / C20NE)
– Quitar e Instalar”.

2. La culata del motor, vea “ Culata del Motor (C20SEL) – Quitar e Instalar” o “Culata del Motor (C18NE / C18YE / C20SE / C20NE)
– Quitar e Instalar (Motor quitado)”.

3. Los émbolos, vea “Émbolos – Quitar e Instalar (Motor quitado)”.

4. El cigüeñal, vea “Cigüeñal – Quitar e instalar”.

5. El tubo de ventilación del motor.

6. El motor de arranque, vea “Motor de Arranque – Quitar e Instalar”.

Limpie
– El bloque del motor completamente.

Inspeccione
– El bloque del motor en cuanto a grietas y desgastes.

 

Efectue
– Expanda las piedras en el bruñidor y repita el bruñido hasta obtener el diámetro requerido.

Atención
Interrumpa momentáneamente el bruñido e inserte el respectivo émbolo en el cilindro para inspeccionar el juego

Información
– Antes de insertar el émbolo, limpie completamente el cilindro.

Limpie
– El bloque del motor completamente, después de efectuar los servicios de reacondicionamiento.

Instalación

Instale y conecte


1. El cigüeñal, vea “Cigüeñal – Quitar e instalar”.

2. Los émbolos, vea “Émbolos – Quitar e Instalar (Motor quitado)”.

3. La culata del motor, vea “Culata del Motor (C20SEL) – Quitar e Instalar” o “Culata del Motor (C18NE / C18YE / C20SE / C20NE)
– Quitar e Instalar (Motor quitado)”.

4. El motor de arranque, vea “Motor de Arranque – Quitar e Instalar”.

5. El motor del vehículo, vea “Motor Completo (C20SEL) – Quitar e Instalar” o “Motor Completo (C18NE / C18YE / C20SE / C20NE)
– Quitar e Instalar”.


Bloque del Motor – Reemplazar

Remoción

Quite o desconecte

1. El motor del vehículo, vea “Motor Completo (C20SEL) – Quitar e Instalar” o “Motor Completo (C18NE / C18YE / C20SE / C20NE)
– Quitar e Instalar”.

2. Culata del motor, vea “Culata del Motor (C20SEL) – Quitar e Instalar” o “Culata del Motor (C18NE / C18YE / C20SE / C20NE) –
Quitar e Instalar (Motor quitado)”.

3. Los émbolos, vea “Émbolos – Reemplazar (Motor quitado)”.

4. El cigüeñal, vea “Cigüeñal – Quitar e Instalar”.

5. El tubo de ventilación del cárter.

6. El motor de arranque, vea “Motor de Arranque – Quitar e Instalar”.

Limpie
– El nuevo bloque del motor, completamente.

Efectúe
– Marque nuevamente el número del motor, utilizando un juego de punzonadoras adecuado.

Instalación

Instale o conecte

1. El tubo de ventilación del cárter.

2. El cigüeñal, vea “Cigüeñal – Quitar e Instalar”.

3. Los émbolos, vea “Émbolos – Reemplazar (Motor quitado)”.

4. Culata del motor, vea “Culata del Motor (C20SEL) – Quitar e Instalar” o “Culata del Motor (C18NE / C18YE / C20SE / C20NE) –
Quitar e Instalar (Motor quitado)”.

5. El motor de arranque, vea “Motor de Arranque – Quitar e Instalar”.

6. El motor del veículo, vea “Motor Completo (C20SEL) – Quitar e Instalar” o “Motor Completo (C18NE / C18YE / C20SE / C20NE)
– Quitar e Instalar”.

Bobina del sistema de encendido Directo - Quitar e instalar

Equipamientos Necesarios

Llave de torsión

Bomba de Aceite (C18NE/C18YE/C20SE/C20NE) - Quitar e instalar

Equipamientos necesarios

Llave de torsión

Herramientas especiales

J-810604 Instalador del sellador delantero del cigüeñal

Instale o conecte

13.- El elemento nuevo del filtro de aceite

Efectúe

- Llene el motor con aceite para motores según la cantidad y clase especificada, vea "Especificaciones técnicas".

Inspecione

- Visualmente los componentes del motor en cuanto a fugas.

Equipamientos Necesarios

Llave de torsión

Herramientas necesarias

J-810606 Dispositivo para ajustar la tensión de la correa de sincronización.

Buje de la tapa delantera del motor de arranque Bosch - Reemplazar

Equipamientos necesarios

Montacargas

Equipamientos necesarios

3-0206881 Instalador del cojinete del motor de arranque V6

M-840911-A Cabo universal

Bujías de encendido (C18NE/C18YE/C20SE/C20NE)

Equipamientos necesarios

Llave de torsión

Bujías de encendido - Inspeccionar y/o remplazar

Equipamientos necesarios

Calibre de espesor

Cable del acelerador - Ajustar

Cable del Acelerador - Reemplazar

Cables de las bujías de encendido - Probar

Cables de las bujías de encendido (C18NE/C18YE/C20SE/C20NE) - Quitar e instalar o reemplazar

 

Culata del Motor (C18NE / C18YE / C20SE / C20NE) – Quitar e Instalar (Motor Instalado)

Equipamientos necesarios

Montacargas
Llave de torsión

Herramientas especiales

S-9401234 Dispositivo para aflojar el acoplamiento rápido de la línea de combustible

 

 

 

 

Manual de mantenimiento y reparaciones Chevrolet Chevy

chevy  

Índice

Sección aplicable para todos los modelos Chevrolet Chevy

Esta es solo una pequeña lección de ejemplo, para adquirir el manual completo te recomendamos El Manual Mantenimiento y Reparaciones Chevrolet Chevy

Ubicación de los componentes del motor parte I

Bloque Corto del Motor, Localización de Soportes

chevy

Descripción

  1. Soporte del Motor, Delantero Derecho
  2. Soporte del Motor, Trasero
  3. Soporte del Motor, Delantero Izquierdo

Componentes de los Soportes del Motor

Nota: Transmisión Manual versión con dirección hidráulica y/o aire acondicionado

chevy

Descripción

(1) Soporte del Motor, Delantero Derecho
(2) Soporte del Motor, Trasero
(3) Soporte del Motor, Delantero Izquierdo

Componentes de la Cabeza del Cilindro

Esquema chevy

Descripción

(1) Cubierta de la Carcaza del Árbol de Levas
(2) Tornillo de la Cubierta del Árbol de Levas
(3) Junta de la Cubierta del Árbol de Levas
(4) Sello de Anillo de la Cubierta Frontal del Árbol de Levas
(5) Polea del Árbol de Levas
(6) Arandela de la Polea Árbol de Levas
(7) Tornillo de la Polea Árbol de Levas
(8) Seguidor Árbol de Levas
(9) Levanta Válvulas Hidráulico
(10) Pieza de Agarre
(11) Cuñas de Válvula
(12) Retén de Resorte de Válvula (Superior)
(13) Resorte de Válvula
(14) Sello del Vástago de la Válvula
(15) Tapa/Retén de Resorte de Válvula (Inferior)
(16) Junta de la Cabeza del Cilindro
(17) Válvulas (escape, admisión)
(18) Cabeza del Cilindro
(19) Tornillo del Plato de Agarre del Árbol de Levas
(20) Plato de Agarre del Árbol de Levas
(21) Árbol de Levas
(22) Arandela
(23) Tornillo de la Cabeza del Cilindro
(24) Carcaza del Árbol de Levas

Componentes de la Válvula de la Cabeza del Cilindro

chevy

Descripción

(1) Altura de la Cabeza del Cilindro
(2) Altura de Instalación de las Guías de Válvulas
(3) Altura de Instalación de la Válvula
(4) Ancho del Asiento de la Válvula en la Cabeza del Cilindro
(5) Ángulo del Asiento de la Válvula en la Cabeza del Cilindro
(6) Diámetro del Vástago de la Válvula
(7) Ángulo del Asiento de la Válvula en la Válvula
(8) Largo de la Válvula
(9) Diámetro de la Cabeza de la Válvula

Componentes de los Levantadores de Válvulas

chevy

Descripción

(1) Recipiente de Aceite
(2) Alimentación de Aceite
(3) Cámara de Presión
(4) Cabeza del Émbolo con bola
(5) Cilindro de Agarre (Arreglado)
(6) Válvula de Alivio

Componentes de la Banda de Distribución del Motor

piezas

Descripción

(1) Polea del Árbol de Levas
(2) Banda de Distribución del Motor
(3) Polea de la Banda de Distribución del Cigüeñal
(4) Polea del Rodillo de Tensión de la Banda de Distribución
(5) Bomba de Agua
(6) Cubierta Superior de la Banda de Distribución del Motor
(7) Cubierta Interior de la Banda de Distribución

Bloque de Cilindros del Motor

diagrama

Descripción

(1) Pistón, Con Pistón y Biela
(2) Bloque de Cilindros
(3) Cubierta de Valeros Principales Superiores
(4) Cubierta de Valeros de Biela Superior
(5) Cigüeñal
(6) Cubierta de Valeros de Biela Inferior
(7) Tapa de Valeros de Biela
(8) Perno de Biela
(9) Cubierta de Valeros Principales Inferiores
(10) Tapa de Valeros Principales
(11) Pernos de Tapa de Valeros Principales
(12) Tapa de Valeros Principales N°. 5
(13) Cubierta de valeros Principales N°. 3 Inferior
(14) Cubierta de valeros Principales N°. 3 Superior

Componentes del Cigüeñal

chevy

Descripción

(1) Chumacera del Cojinete Principal
(2) Chumacera del Cojinete de Biela
(3) Chumaceras de Cojinetes Principales (Cojinetes Guías)
(4) Código de Color del Cigüeñal
(5) Código de Color de la Casquillo de Cojinete
(6) Identificación de la Casquillo de Cojinete

 

Componentes del Bloque de Cilindros

chevy

Descripción

(1) Identificación del Diámetro Interior del Cilindro
(2) Identificación de Montaje de los Casquillos de Cojinete en el Bloque de Cilindros
(3) Identificación del Diámetro Interior del Cilindro

Componentes del Pistón y Diámetro Interior del Cilindro

chevy

 

Descripción

(1) Identificación del Diámetro Interior del Cilindro
(2) Diámetro Interior del Cilindro
(3) Anillo de Doble Bisel con Expansión de Tipo Espiral
(4) Anillo de Arrastre de Compresión o Anillo de Doble Trapezoide
(5) Anillo de Compresión Rectangular
(6) Diámetro del Pistón

 

Componentes del Motor 1.6L MPFI

chevy

Descripción

(1) Múltiple de Admisión
(2) Módulo DIS
(3) Carcaza de Leva Trasera
(4) Cubierta del Árbol de Levas
(5) Cabeza del Cilindro
(6) Cubierta de la Banda de Distribución Exterior
(7) Inyector de Combustible
(8) Alternador
(9) Cárter de Aceite
(10) Bloque de Cilindros
(11) Volante del Motor
(12) Motor de Arranque

 

Vista del Sistema de Aceite del Motor

chevy

Descripción

(1) Sello del Tubo de Succión de Aceite
(2) Perno del Tubo de Succión de Aceite
(3) Tubo de Succión de Aceite
(4) Junta del Cárter de Aceite
(5) Cárter de Aceite
(6) Perno del Cárter de Aceite
(7) Tapón de Drenaje de Aceite
(8) Perno de la Abrazadera del Tubo de Succión de Aceite
(9) Abrazadera del Tubo de Succión de Aceite

 

Sistema de Banda de Distribución del Motor

chevy

 

Descripción

(1) Cubierta Trasera de la Banda de Distribución
(2) Polea de Distribución del Árbol de Levas
(3) Arandela de la Polea de Distribución del Árbol de Levas
(4) Perno de la Polea de Distribución del Árbol de Levas
(5) Perno de la Cubierta Delantera de la Banda de Distribución
(6) Cubierta Superior Delantera de la Banda de Distribución
(7) Perno de la Cubierta Inferior Delantera de la Banda de Distribución
(8) Cubierta Inferior Delantera de la Banda de Distribución
(9) Banda de Distribución (Banda Dentada)
(10) Perno del Rodillo de Tensión de la Banda de Distribución
(11) Rodillo de Tensión de la Banda de Distribución
(12) Piñón de Distribución del Cigüeñal

 

Vista de la Sección Transversal del Motor Básico (Sin Múltiple de Admisión)

chevy

Descripción

(1) Tapa de Llenado de Aceite
(2) Banda de Distribución
(3) Filtro de Aceite
(4) Volante del Motor
(5) Tapón de Drenaje de Aceite
(6) Tensor de la Banda de Distribución
(7) Bomba de Agua
(8) Cubierta de la Banda de Distribución

 

Vista de la Sección Transversal del Motor Básico (Con Múltiple de Admisión)

chevy

Descripción

(1) Varilla de Medición del Nivel de Aceite
(2) Múltiple de Salida
(3) Cárter de Aceite del Motor
(4) Motor de Arranque
(5) Múltiple de Admisión
(6) Cuerpo de la Mariposa

 

Vista de la Sección Longitudinal del Motor Básico

chevy

Descripción

(1) Tapa de Llenado de Aceite
(2) Volante del Motor
(3) Tubo de Succión de Aceite del Motor
(4) Polea del Cigüeñal
(5) Cubierta de la Banda de Distribución
(6) Cubierta de la Caja del Árbol de Levas

 

Ruteo de la Banda de Transmisión de los Accesorios

chevy

Descripción

(1) Alternador (Generador)
(2) Tensor
(3) Bomba de Dirección Hidráulica
(4) Compresor del Aire Acodiciando
(5) Polea del Cigüeñal

 

Información y Procedimientos de Diagnóstico

Punto de Partida de un Diagnóstico Sistema Mecánico del Motor

Comience el diagnóstico del sistema repasando las listas de Componentes Desensamblados, Descripción de los Componentes del Motor, Descripción de Lubricación y Descripción del sistema de Bandas Transmisión. La revisión de la información de Descripción y Funcionamiento le ayudará a determinar el procedimiento correcto de diagnóstico del síntoma a realizar cuando exista una falla y también le servirá para determinar si la condición explicada por el cliente es de funcionamiento normal. Ver Síntomas Sistema Mecánico del Motor para identificar el procedimiento correcto para diagnosticar el sistema y la ubicación de este procedimiento.

Esta es solo una pequeña lección de ejemplo, para adquirir el manual completo te recomendamos El Manual Mantenimiento y Reparaciones Chevrolet Chevy

Síntomas Sistema Mecánico del Motor

Diagnóstico Basado en Estrategia

  1. Realice una Revisión de Diagnóstico del Sistema Controles del Motor antes de utilizar las tablas de síntoma (si corresponde).
  2. Repase las funciones del sistema para familiarizarse con su funcionamiento. Ver Descripción de Componentes del Motor y Descripción de Lubricación.

Todos los diagnósticos de un vehículo deben seguir un proceso lógico. El diagnóstico basado en Estrategia es una manera uniforme de reparar todos los sistemas. El flujo de diagnóstico puede ser siempre utilizado para resolver un problema del sistema. El flujo de diagnóstico es un punto de partida cuando se requiere realizar reparaciones. Para obtener una explicación detallada, ver Diagnóstico Basado en Estrategia en Información General.

Inspección Visual/Física

  • Inspeccione los accesorios de posventa que pudieran estar afectando el funcionamiento del motor. Ver Revisión de Accesorios de Posventa en Sistemas de Cableado.
  • Inspeccione los componentes del sistema que son de fácil acceso o visibles para verificar si existen condiciones o daños obvios que pudieran estar causando el síntoma.
  • Inspeccione para verificar si el nivel de aceite, viscosidad de aceite y aplicación del filtro son los correctos.
  • Verifique las condiciones de funcionamiento exactas en las cuales se produce el problema. Note aspectos tales como RPM del motor, temperatura ambiente, temperatura del motor, tiempo requerido para calentar el motor y otros factores específicos.
  • Compare los sonidos del motor (si corresponde) con un motor en buen funcionamiento y asegúrese de que no se está tratando de corregir una condición de funcionamiento normal

Fallas Intermitentes

Pruebe el vehículo bajo las mismas condiciones descritas por el cliente para verificar si el sistema está funcionando correctamente.

Lista de Síntomas

Ver un procedimiento de diagnóstico de síntomas de la siguiente lista para diagnosticar el síntoma:

  • Falla Básica de Encendido del Motor sin Ruidos Internos del Motor
  • Falla Básica de Encendido del Motor con Ruidos Internos Anormales en la Parte Inferior del Motor
  • Falla Básica de Encendido del Motor con Ruido Anormal en el Tren de Válvulas
  • Falla Básica de Encendido del Motor con Consumo de Refrigerante
  • Falla Básica de Encendido del Motor con Consumo Excesivo de Aceite
  • Ruido del Motor en la Puesta en Marcha que Sólo Dura Unos Segundos
  • Ruido de la Parte Superior del Motor, Independiente de las Revoluciones del Motor
  • Ruido de la Parte Inferior del Motor, Independiente de las Revoluciones del Motor
  • Ruido del Motor Bajo Carga
  • Motor No Arranca Cigüeñal No Gira
  • Ruido en el Motor
  • Inspección de Compresión
  • Diagnóstico del Consumo de Aceite
  • Prueba de Presión de Aceite del Motor
  • Diagnóstico de Fugas de Aceite
  • Medición de la Temperatura del Aceite del Motor
  • Inspección de Pérdida de Presión del Motor
  • Diagnóstico de Zumbido de la Banda de Transmisión
  • Diagnóstico de Chirrido de la Banda de Transmisión
  • Diagnóstico de Banda de Transmisión que se Sale
  • Diagnóstico de Desgaste Excesivo de la Banda de Transmisión
  • Diagnóstico de Vibración de la Banda de Transmisión
  • Diagnóstico de Retumbo de la Banda de Transmisión
  • Diagnóstico de Chillido de la Banda de Transmisión
  • Medición de Consumo de Aceite del Motor

Falla Básica de Encendido del Motor sin Ruidos Internos del Motor

Causa

Corrección

Presión Excesiva de Aceite (Un sistema de lubricación con una presión excesiva de aceite puede llevar a una elevación excesiva del levantador de válvulas y pérdida de compresión)
  • Verifique la presión del aceite. Ver Prueba de Presión de Aceite del Motor.
  • Repare o reemplace los componentes dañados según se requiera.
Banda de transmisión de los accesorios desgastada, dañada o instalada incorrectamente (fisuras severas, protuberancias o segmentos que faltan).
  • Inspeccione los componentes accesorios del sistema de mando.
  • Repare o reemplace los componentes dañados según sea necesario. Ver Reemplazo de Bandas de Transmisión.
Rueda del reluctor desgastada, dañada o instalada incorrectamente. (Una rueda del reluctor de cigüeñal desgastada o dañada puede resultar en síntomas diferentes dependiendo de la severidad y localización el desgaste o daño.)

• Sistemas con comunicaciones electrónicas (DIS o bobinas por cilindro) y daños severos al anillo del reluctor pueden exhibir pérdidas periódicas de la posición del cigüeñal, detener la entrega de señales y, luego, resincronizar la posición del cigüeñal.

• Sistemas con comunicaciones electrónicas (DIS o bobinas por cilindro) y daños leves al anillo del reluctor pueden exhibir que no existe pérdida de la posición del cigüeñal ni falla de encendido.

• Sistemas con comunicaciones mecánicas (switch de alto voltaje) y daño severo al anillo reluctor pueden causar pulsaciones adicionales y efectuar entrega del encendido.

• Inspeccione el sensor de la posición del cigüeñal.

• Inspeccione la rueda del reluctor del cigüeñal.

• Inspeccione el cigüeñal.

• Repare o reemplace los componentes dañados según sea necesario

Volante de motor dañado, flojo o instalado incorrectamente.

(Se puede presentar un DTC de falla de encendido sin que exista una condición real de falla de encendido.)

• Inspeccione el volante.

• Repare o reemplace los componentes dañados según sea necesario. Ver Reemplazo del Volante del Motor.

Sistema de escape instalado incorrectamente o restringido (tubos dañados o desplomados, silenciador bloqueado o convertidores catalíticos con falla). (Se puede presentar un DTC sin que exista una falla real). • Inspeccione los componentes del sistema de escape.

• Repare o reemplace los componentes dañados según sea necesario.

Mangueras de vacío desgastadas, dañadas o instaladas incorrectamente. • Inspeccione los componentes del sistema de vacío.

• Repare o reemplace los componentes dañados según sea necesario.

Sensor de MAP dañado o instalado incorrectamente (ojal sellador con ranuras, quebrado o que falta). • Inspeccione el sensor de MAP.

• Repare o reemplace los componentes dañados como requerido.

Cuerpo de mariposa dañado o instalado incorrectamente. • Inspeccione el cuerpo de mariposa.

• Repare o reemplace los componentes dañados según sea necesario.

Múltiple de admisión dañado o instalado incorrectamente. • Inspeccione el múltiple de admisión.

• Repare o reemplace los componentes según sea necesario.

Cabeza de cilindros dañada o instalada incorrectamente (el consumo de aceite puede o no causar una falla de encendido del motor.) • Inspeccione las bujías. Ver Inspección de Bujías.

• Verifique la compresión del motor. Ver Inspección de Compresión.

• Inspeccione las cabezas de cilindros.

• Inspeccione el bloque del motor.

• Repare o reemplace los componentes dañados según sea necesario.

Aparato de rotación desgastado, dañado o flojo. • Inspeccione los aparatos de rotación de las válvulas.

• Repare o reemplace los componentes según sea necesario.

Resorte de la válvula desgastado, dañado, flojo o roto. • Inspeccione los resortes de válvula.

• Repare o reemplace los componentes según sea necesario.

Válvula desgastada, dañada o atorada (carbón en el vástago de la válvula o en el asiento de la válvula) • Inspeccione las válvulas

• Inspeccione las guías de válvula

• Repare o reemplace los componentes según sea necesario.

Guía de válvula desgastada o dañada • Inspeccione las guías de válvula

• Inspeccione las válvulas

• Repare o reemplace los componentes dañados según sea necesario.

Levantador de válvula desgastado, dañado o sucio • Inspeccione los levantadores de válvula

• Inspeccione el cigüeñal

• Repare o reemplace los componentes dañados según sea necesario.

Aleta de cigüeñal desgastada o dañada • Inspeccione el cigüeñal

• Inspeccione los levantadores de válvula

• Repare o reemplace los componentes dañados según sea necesario.

Pistones desgastados, dañados o instalados incorrectamente (los pistones tienen que ser instalados con la marca o ranura de la parte superior mirando hacia delante del motor, los pernos del pistón tienen que estar centrados en el orificio del pasador de la biela.) El consumo de aceite puede o no causar la falla de encendido del motor. • Inspeccione las bujías. Ver Inspección de Bujías.

• Verifique la compresión del motor. Ver Inspección de Compresión.

• Inspeccione los orificios de cilindro.

• Inspeccione los pistones.

• Inspeccione los pernos de pistón.

• Inspeccione las bielas.

• Repare o reemplace los componentes dañados según sea necesario.

 

Falla Básica de Encendido del Motor con Ruidos Internos anormales en la Parte Inferior del Motor

Causa

Corrección

Banda de mando accesoria desgastada, dañada o instalada incorrectamente (fisuras severas, protuberancias o segmentos que faltan) • Inspeccione los componentes accesorios del sistema de mando.

• Repare o reemplace los componentes dañados según sea necesario. Ver Reemplazo de Bandas de Transmisión.

Componentes accesorios del sistema de mando desgastados, dañados o instalados incorrectamente. • Inspeccione los componentes accesorios del sistema de mando.

• Repare o reemplace los componentes dañados según sea necesario.

Balancín de cigüeñal desgastado, dañado, instalado incorrectamente o flojo. • Inspeccione el compensador del cigüeñal.

• Repare o reemplace los componentes dañados según sea necesario.

Volante de motor desgastado, dañado, instalado incorrectamente o flojo. (Se puede presentar un DTC de falla de encendido sin que exista una condición real de falla de encendido.) • Inspeccione las bujías. Ver Inspección de Bujías.

• Verifique la compresión del motor. Ver Inspección de Compresión.

• Inspeccione los orificios de cilindro.

• Inspeccione los pistones.

• Inspeccione los pernos de pistón.

• Inspeccione las bielas.

• Repare o reemplace los componentes dañados según sea necesario.

Balero de empuje del cigüeñal desgastado, dañado o instalado incorrectamente. • Inspeccione el cigüeñal.

• Inspeccione el balero de empuje del cigüeñal.

• Repare o reemplace los componentes dañados según sea necesario.

   

Falla Básica de Encendido del Motor con Ruido Anormal en el Tren de Válvulas

Causa

Corrección

Válvula desgastada, dañada o pegada (carbón en el vástago de la válvula o asiento de la válvula.) • Inspeccione las válvulas.

• Inspeccione las guías de las válvulas.

• Repare o reemplace los componentes dañados según sea necesario.

Levantador de válvulas desgastado, dañado o sucio • Inspeccione los levantadores de las válvulas.

• Inspeccione el cigüeñal.

• Repare o reemplace los componentes dañados según sea necesario.

Orejeta del cigüeñal dañada o desgastada. • Inspeccione el cigüeñal.

• Inspeccione los levantadores de la válvula.

• Repare o reemplace los componentes dañados según sea necesario.

 

Falla Básica de Encendido del Motor con Consumo de Refrigerante

Causa

Corrección

Cabeza de cilindros dañada o instalada incorrectamente.

(Consumo de refrigerante puede o no causar una falla de encendido en el motor.)

• Inspeccione las bujías. Ver Inspección de Bujías.

• Verifique la compresión del motor. Ver Inspección de Compresión.

• Inspeccione las cabezas de cilindro.

• Inspeccione el bloque del motor.

• Repare o reemplace los componentes dañados según sea necesario.

 

Falla Básica de Encendido del Motor con Consumo Excesivo de Aceite

Causa

Corrección

Válvula desgastada o dañada. • Inspeccione las válvulas

• Inspeccione las guías de las válvulas

• Repare o reemplace los componentes dañados según sea necesario.

Coronas de pistón desgastadas, dañadas o instaladas incorrectamente (las coronas de pistón tienen que estar con la marca o ranura de la parte superior del pistón mirando hacia arriba.) • Inspeccione las bujías. Ver Inspección de Bujías.

• Revise la compresión del motor. Ver Inspección de Compresión.

• Inspeccione los orificios de cilindro.

• Inspeccione los pistones.

• Inspeccione los pernos de pistón.

• Inspeccione las bielas.

• Repare o reemplace los componentes dañados según sea necesario.

 

Ruido del Motor en la Puesta en Marcha que Sólo Dura Unos Segundos

Causa

Corrección

Importante: un golpeteo del pistón frío que desaparece en 1.5 minutos debería considerarse aceptable. Un golpeteo del motor frío, por lo general, desaparece cuando el circuito de ignición secundario del cilindro específico está puesto a tierra durante el diagnóstico.

Un ruido de golpecito/traqueteo ligero puede indicar un problema del tren de válvulas (motor superior) o un golpeteo/retumbo puede indicar un problema del cigüeñal o pistón (motor bajo).

Filtro de aceite incorrecto sin la característica anti drenado de vuelta Instale el filtro de aceite correcto.
Viscosidad incorrecta del aceite 1. Drene el aceite.
2. Instale el aceite de viscosidad correcta.
Promedio alto de fuga del levantador de válvulas Reemplace los levantadores según se requiera.
Balero de empuje del cigüeñal está gastado 1. Revise el juego axial del cigüeñal.

2. Inspeccione el balero de empuje y el cigüeñal.

3. Repare o reemplace según se requiera

Válvula de derivación del filtro de aceite está defectuosa o dañada • Inspeccione la válvula de derivación del filtro de aceite para verificar que esté funcionando correctamente.

• Repare o reemplace según se requiera.

 

Ruido de la parte superior del motor, Independiente de las Revoluciones del Motor

Causa

Corrección

Importante: un sonido de golpe de pistón frío que desaparece en 1.5 minutos debe ser considerado aceptable. Un sonido de golpe de motor frío normalmente desaparece cuando el circuito de ignición secundaria de un cilindro específico se pone a tierra.
Baja presión de aceite • Verifique la presión del aceite. Ver Prueba de Presión de Aceite del Motor.

• Repare o reemplace los componentes dañados según sea necesario.

Lubricación incorrecta de los componentes del tren de válvula • Verifique la presión del aceite. Ver Prueba de Presión de Aceite del Motor.

• Inspeccione los levantadores de las válvulas.

• Inspeccione la válvula de desviación del filtro de aceite.

• Inspeccione la bomba de aceite y su malla.

• Inspeccione las galerías de aceite del bloque de motor.

• Repare o reemplace los componentes dañados conforme sea necesario

Aparato para girar la válvula desgastado o dañado • Inspeccione los aparatos para girar las válvulas.

• Repare o reemplace los componentes según sea necesario.

Resorte de válvula quebrada • Inspeccione los resortes de las válvulas.

• Repare o reemplace los componentes dañados según sea necesario.

Válvulas desgastadas, dañadas o pegadas (carbón en el vástago de la válvula o en el asiento de la válvula.) • Inspeccione las válvulas

• Inspeccione las guías de las válvulas

• Repare o reemplace los componentes dañados según sea necesario.

Guía de válvula desgastada o dañada • Inspeccione las guías de las válvulas

• Inspeccione las válvulas

• Repare o reemplace los componentes dañados según sea necesario.

Levantador de válvula desgastado, dañado o sucio • Inspeccione los levantadores de válvulas

• Repare o reemplace los componentes dañados según sea necesario.

Orejetas de cigüeñal desgastadas o dañadas • Inspeccione las orejetas del cigüeñal del motor.

• Repare o reemplace los componentes dañados según sea necesario.

 

Ruido de la Parte Inferior del Motor, Independiente de las Revoluciones del Motor

Causa

Corrección

Importante: un sonido de golpeteo de pistón frío que desaparece dentro de 1.5 minutos debe ser considerado aceptable. Un sonido de golpe en el motor cuando está frío normalmente desaparece cuando el circuito de encendido secundario de un cilindro específico se pone a tierra durante el diagnóstico.

Un sonido de golpe a fondo puede indicar un problema con el cigüeñal o pistón (parte inferior del motor.)

Baja presión de aceite • Verifique la presión del aceite. Ver Prueba de Presión de Aceite del Motor.

• Repare o reemplace los componentes dañados según sea necesario.

Golpe de detonación o encendido • Verifique el funcionamiento del sistema de controles de la ignición. Ver Revisión de Diagnóstico del Sistema Controles del Motor en Controles del Motor 1.6L MPFI (EOBD).

• Repare o reemplace los componentes dañados según sea necesario.

Banda de mando accesoria desgastada, dañada o instalada incorrectamente (fisuras severas, protuberancias o segmentos que faltan.) • Inspeccione los componentes accesorios del sistema de mando.

• Repare o reemplace los componentes dañados según sea necesario.

Componentes accesorios del sistema de mando desgastado, dañado o instalado incorrectamente • Inspeccione los componentes accesorios del sistema de mando.

• Repare o reemplace los componentes dañados según sea necesario.

Balanceador de cigüeñal desgastado, dañado o instalado incorrectamente • Inspeccione el balancín del cigüeñal

• Inspeccione el cigüeñal

• Repare o reemplace los componentes dañados según sea necesario.

Volante de motor desgastado, dañado o instalado incorrectamente • Inspeccione el volante del motor.

• Inspeccione los pernos del volante del Motor

• Inspeccione el convertidor de torque

• Inspeccione los pernos del convertidor de torque

• Inspeccione el cigüeñal

• Repare o reemplace los componentes dañados según sea necesario.

Convertidor de torque desgastado, dañado o instalado incorrectamente • Inspeccione el convertidor de torque

• Inspeccione los pernos del convertidor de Torque

• Inspeccione el volante del motor

• Repare o reemplace los componentes dañados según sea necesario.

Cárter de aceite dañado, en contacto con la malla de la bomba de aceite (un cárter de aceite que está dañado puede aflojarse, ajustarse en una posición mala o restringir el flujo de aceite en la malla de la bomba, evitando que pase el flujo adecuado de aceite a la bomba de aceite. • Inspeccione el cárter de aceite.

• Inspeccione la malla de la bomba de aceite

• Repare o reemplace los componentes dañados según sea necesario.

Malla de la bomba de aceite desgastada, dañada, instalada incorrectamente o restringida (el cárter de aceite que ha sido dañado, puede aflojarse, posicionarse de manera incorrecta o bloquear el flujo del aceite hacia la malla de la bomba del aceite, evitando así el flujo adecuado del aceite hacia la bomba) • Inspeccione el cárter de aceite.

• Inspeccione la malla de la bomba de aceite

• Repare o reemplace los componentes dañados según sea necesario.

Pistones desgastados, dañados o instalados incorrectamente (los pistones tienen que ser instalados con la marca o ranura de la parte superior del pistón mirando hacia la parte delantera del motor, los pernos de pistón tienen que estar centrados con el orificio del pasador de la biela.) • Inspeccione las bujías. Ver Inspección de Bujías.

• Verifique la compresión del motor. Ver Inspección de Compresión.

• Inspeccione los orificios de cilindro.

• Inspeccione los pistones.

• Inspeccione los pernos de pistón.

• Inspeccione las bielas.

• Repare o reemplace los componentes dañados según sea necesario.

Balero de biela de conexión desgastado, dañado o instalado incorrectamente • Inspeccione las bielas

• Inspeccione los valeros de las bielas.

• Inspeccione las manguetas de las bielas del cigüeñal.

• Repare o reemplace los componentes dañados según sea necesario.

Balero del cigüeñal desgastado, dañado o instalado incorrectamente. • Inspeccione los baleros de cigüeñal.

• Inspeccione las manguetas del cigüeñal.

• Repare o reemplace los componentes dañados según sea necesario.

 

Ruido del Motor Bajo Carga

Causa

Corrección

Importante: un sonido de golpeteo de pistón frío que desaparece dentro de 1.5 minutos debe ser considerado aceptable. Un sonido de golpe en el motor cuando está frío normalmente desaparece cuando el circuito de encendido secundario de un cilindro específico se pone a tierra durante el diagnóstico.

Un golpeteo del motor puede indicar un problema de cigüeñal o de pistón (parte inferior del motor).

Presión de aceita baja • Realice la prueba de la presión del aceite. Ver Prueba de Presión de Aceite del Motor.

• Repare o reemplace según sea necesario.

Golpe de detonación o encendido. • Verifique el funcionamiento correcto de los controles del encendido. Ver Revisión de Diagnóstico del Sistema Controles del Motor en Controles del Motor 1.6L MPFI (EOBD).

• Repare o reemplace los componentes dañados según sea necesario.

Volante de motor desgastado, dañado o instalado incorrectamente • Inspeccione el volante del motor.

• Inspeccione los perno del volante del motor.

• Inspeccione el convertidor de torque.

• Inspeccione los pernos del convertidor de torque.

• Inspeccione el cigüeñal.

• Repare o reemplace los componentes dañados según sea necesario.

Convertidor de torque desgastado, dañado o instalado incorrectamente • Inspeccione el convertidor de torque.
• Inspeccione los pernos del convertidor de torque.
• Inspeccione el volante del motor.
• Repare o reemplace los componentes dañados según sea necesario.
Pistones desgastados. dañados o instalados incorrectamente (los pistones tienen que estar instalados con la marca o ranura de la parte superior del pistón mirando hacia la parte delantera del motor, los pernos de pistón tienen que estar centrados con el orificio del pasador de la biela. • Inspeccione los orificios de cilindro.
• Inspeccione los pistones
• Inspeccione los pernos de pistón
• Inspeccione las bielas
• Repare o reemplace los componentes dañados según sea necesario.
Balero de biela desgastado, dañado o instalado incorrectamente • Inspeccione las bielas

• Inspeccione los baleros de la biela

• Inspeccione las jornadas de biela del cigüeñal

• Repare o reemplace los componentes dañados según sea necesario.

Balero de cigüeñal desgastado, dañado o instalado incorrectamente • Inspeccione los baleros del cigüeñal

• Inspeccione las jornadas del cigüeñal.

• Repare o reemplace los componentes dañados según sea necesario.

 

Motor No Arranca Cigüeñal No Gira

Causa

Corrección

Componente accesorio del sistema de mando está pegado 1. Saque las bandas de transmisión Accesorias

2. Gire el cigüeñal a mano en la localización del compensador o del volante.

Cilindro asegurado hidráulicamente

• Refrigerante/anticongelante en el cilindro

• Aceite en el cilindro

• Combustible en el cilindro

1. Saque las bujías de encendido y revise si existe líquido.

2. Inspeccione si existe una junta de cabezal quebrada.

3. Inspeccione si existe un bloque de motor o cabeza de cilindro con fisuras.

4. Inspeccione si existe un inyector de combustible pegado.

Convertidor de torque de la transmisión automática atorado. 1. Saque los pernos del convertidor de torque.

2. Gire el cigüeñal a mano en la localización del compensador o del volante.

Materia en el cilindro

• Válvula quebrada

• Materia de pistón

• Materia extranjera

• Inspeccione el cilindro para verificar si existen componentes dañados y/o materiales extraños

• Repare o reemplace según sea necesario.

Cigüeñal o baleros de la biela atorados • Inspeccione las bielas

• Repare según sea necesario

Biela torcida o quebrada • Inspeccione el cigüeñal

• Repare según sea necesario

Árbol de levas atorado o quebrado • Inspeccione el árbol de levas en la parte donde se encuentran los baleros.

• Repare o reemplace los componentes según sea necesario.

Válvula doblada en la cabeza del cilindro • Inspeccione las válvulas y las cabezas de cilindros.

• Repare o reemplace los componentes según sea necesario.

Bomba de aceite atorada • Inspeccione el montaje de bomba de aceite.

• Repare o reemplace según sea necesario.

 

Diagnóstico del Consumo de Aceite

Causa

Corrección

El consumo excesivo de aceite, que no se debe a fugas, corresponde al uso de 1 L (1 cuarto) o más de aceite de motor dentro de los 3,200 kilómetros (2,000 millas).
Preliminar Las causas de uso excesivo de aceite puede incluir las siguientes condiciones:

• Fugas externas de aceite
Ver Diagnóstico de Fugas de Aceite.

• Nivel incorrecto de aceite o lectura inadecuada del indicador nivel de aceite.

Con el vehículo en una superficie nivelada, haga funcionar el motor durante unos pocos minutos, permita que pase un tiempo de drenaje adecuado, 2 a 3 minutos, y revise que existe un nivel correcto de aceite.

• Viscosidad incorrecta de aceite

Vea el manual del propietario del vehículo y utilice la viscosidad y grado SAE recomendado para las temperaturas predominantes.

• Manejo continuo a alta velocidad y/o uso severo

• Obstrucciones del sistema de ventilación del cigüeñal o componentes defectuosos

• Vástagos y/o guías de válvulas gastadas

• Sellos de aceite de vástagos de válvulas instalados en forma incorrecta o gastados

• Anillos de pistones quebrados, gastados, no asentados adecuadamente

Deje que pase un tiempo adecuado para que los anillos se asienten.

Reemplace los anillos de pistones gastados según sea necesario.

• Pistones y anillos instalados incorrectamente o que no encajan bien en el diámetro interior del cilindro.

 

Ruido en el Motor

Ruido de Cojinetes Principales

Intente escuchar alguno de los siguientes ruidos:

• Ruido metálico o cascabeleo seco que ocurre en cada revolución del motor. Este ruido indica que el cojinete está dañado o desgastado. Cualquier ruido causado por los cojinetes principales es más fuerte cuando el motor está bajo cargas fuertes.

• Un ruido de cascabeleo más fino o metálico que el ruido producido por los cojinetes principales dañados o desgastados, indica que el juego final del cigüeñal es excesivo. Cualquiera de las siguientes condiciones puede causar ruido en cojinetes principales:

• Baja presión de la bomba de aceite
• Aceite diluido o sucio
• Filtro sucio
• Tolerancia excesiva en cojinetes principales
• Juego final de cigüeñal excesivo
• Ovalado de las chumaceras del Cigüeñal
• Tensión excesiva de la banda
• Polea del cigüeñal suelta
• Volante del motor suelto
• Convertidor de par de la transmisión suelto
• Una tapa de cojinete principal suelta

Esta es solo una pequeña lección de ejemplo, para adquirir el manual completo te recomendamos El Manual Mantenimiento y Reparaciones Chevrolet Chevy

Ruido de Cojinete de Bielas

Un desgaste o daño en el cojinete de biela causa un cascabeleo. El cascabeleo es notorio a todas las velocidades del motor.

El ruido causado por las bielas puede sonar similar al cabeceo de pistones o al de pernos sueltos en sus etapas iniciales de desgaste.

El ruido de bielas es notorio porque aumenta conforme la velocidad del motor es mayor. El ruido de bielas es mayor y más notorio durante la desaceleración.

Cualquiera de las siguientes condiciones pueden causar ruido en las bielas:

• Tolerancia excesiva en cojinetes
• Una chumacera de cojinete de biela en el cigüeñal
• Aceite diluido o sucio
• Filtro sucio
• Baja presión de aceite
• Chumaceras de cojinete de biela en el cigüeñal ovaladas
• Una biela desalineada
• Tornillos de biela con torque equivocado
• Insertos de cojinetes incorrectos
• Una mitad de cojinete mal alineada

Ruido de la Banda de Distribución del Motor y Engranes

Los motores diseñados con banda de distribución y engranes pueden causar diferentes ruidos. El ruido más común de alta frecuencia, es un cascabeleo ligero.

Este sonido será generalmente en la misma intensidad cuando exista una de las siguientes condiciones:

• El motor está en marcha mínima
• El motor está funcionando a altas velocidades
• El motor está funcionando bajo carga


Cualquiera de las siguientes condiciones puede causar ruido en la banda de distribución y engranes:

• Una banda de distribución desgastada
• Un engrane mal alineado
• Un engrane dañado
• Un engrane que está suelto en la flecha
• Juego final excesivo en el árbol de levas o cigüeñal


Ruido de Pistones

Los siguientes ruidos son similares:

• Ruidos de pistón
• Ruido de pernos de pistón
• Ruidos de bielas

Un perno suelto puede causar un doble ruido de cascabeleo agudo cuando las siguientes condiciones existen:

• El motor está en marcha mínima.
• El motor acelera y desacelera espontáneamente.

Un perno de pistón mal instalado no carga en el motor.

Una tolerancia excesiva entre pistón y cilindro causa un ruido de cabeceo de pistón. El ruido es similar a un cascabeleo entre metales. La disminución del ruido cuando el motor es calentado indica un cabeceo de pistón. Cuando el motor está frío, la tolerancia entre pistón y cilindro es mayor.

Las siguientes condiciones pueden causar un ruido de pistón:

• Un perno de pistón dañado o desgastado
• Un buje dañado o desgastado
• Un perno mal ajustado
• Tolerancia excesiva entre pistón y cilindro (cabeceo de pistón)
• Lubricación insuficiente
• Depósitos de carbón en la parte superior del pistón que golpean la cabeza del cilindro
• Un pistón desgastado o agrietado
• Bielas desalineadas
• Anillos de pistón dañados o desgastados
• Paredes de cilindro desgastadas u ovaladas
• Tolerancia excesiva de anillos
• No hay suficiente tolerancia final en anillos
• Un pistón que está 180 grados fuera de posición
• Granulado incorrecto de la leva del pistón

Ruido en el Mecanismo de Válvulas o Tren de Válvulas

Cualquiera de las siguientes causas puede indicar una condición de falla del tren de válvulas:

• Un pequeño golpeteo a la mitad de velocidad de giro del motor
• Un pequeño golpeteo con cambios de frecuencia

El golpeteo incrementa con la velocidad del motor

Realice las siguientes acciones antes de intentar evaluar un ruido de tren de válvulas:

• Caliente el motor a temperatura normal de funcionamiento. Un motor caliente asegura que todos los componentes se encuentran en su estado normal de expansión.
• Corra el motor a diferentes velocidades.
• Cierre el cofre del motor.


Cualquiera de las siguientes condiciones puede causar ruido de válvulas:

• Resortes de válvula dañados o desgastados
• Válvulas que se pegan o alabean
• Levanta válvulas sucias, desgastadas o dañadas
• Levas del árbol desgastadas o mal maquinadas
• Bajo o insuficiente suministro de aceite en el tren de válvulas (baja presión de aceite)
• Tolerancia excesiva entre vástago y guía de válvulas
• Guías de válvulas desgastados


Ruido del Volante del Motor Transmisión Automática


Aviso: asegúrese de que los tornillos del volante del motor al convertidor de la transmisión no sean muy largos. Si los tornillos son muy largos pueden dañar la cubierta del convertidor y causar una condición de jaloneo.


Un volante de motor suelto o agrietado produce un ruido irregular.


Precaución: ver Precaución para Prueba de Carretera en Precauciones y Avisos.

Realice los siguientes puntos para probar si el volante del motor está suelto o agrietado:

1. Maneje el vehículo a aproximadamente 32 km/h (20 mph).

2. Apague el motor.

3. Escuche para comprobar si existe un golpeteo. Un ruido en la parte inferior puede indicar que el volante del motor está suelto o dañado. El golpeteo es mayor durante la desaceleración.


El ruido producido por los siguientes componentes es similar al cascabeleo de cojinetes:


• Tornillos del volante al convertidor de la transmisión sueltos
• Tornillos del volante al cigüeñal sueltos


Estas condiciones producen ruidos repetitivos si el motor es acelerado en PARK o NEUTRAL.


Si en marcha mínima no existe ruido con la transmisión en velocidad, puede que no ocurra el ruido. Revise tanto los tornillos del volante al cigüeñal como los del convertidor de la transmisión antes de investigar cualquier cascabeleo de cojinetes

Diagnóstico de Fugas de Aceite

Utilice uno de los siguientes métodos para localizar las fugas de aceite.

Encontrando la Fuga

1. Determine si el líquido es uno de los siguientes tipos:

• Aceite de motor
• Líquido de la transmisión automática
• Líquido de la dirección hidráulica

2. Realice los siguientes pasos para ayudar a determinar el lugar de la falla:

A. Haga funcionar el vehículo a temperatura normal de funcionamiento.
B. Estacione el vehículo sobre una hoja grande de papel.
C. Después de varios minutos, observe las gotas de líquido que caen en el papel. Use las gotas en el papel para determinar el lugar de la fuga.

3. Realice una inspección visual en el componente sospechoso. Revise alrededor de la junta o superficies de contacto para comprobar si existen fugas. Use un espejo para inspeccionar los lugares que no pueden verse con facilidad.

4. Si no puede encontrar la fuga, use uno de los siguientes componentes para limpiar el área sospechosa:

• Desengrasante
• Vapor
• Solvente de aerosol

5. Seque totalmente el área.

6. Haga funcionar el vehículo por varios kilómetros a temperatura normal de funcionamiento y a diferentes velocidades.

7. Realice una inspección visual del componente sospechoso. Si no ha podido localizar la falla realice el método de fuerza con luz negra y colorante para poder localizar la fuga.

Método de Polvo

Realice los siguientes pasos para poder localizar la fuga:

1. Limpie el área sospechosa.
2. Aplique talco en aerosol (como talco para los pies) en el área sospechosa.
3. Haga funcionar el vehículo bajo condiciones normales de manejo y a temperatura normal de funcionamiento.
4. Visualmente revise el componente sospechoso. Siga el trayecto del líquido sobre el talco blanco hasta llegar a la fuga.

Reparación de la Fuga

Después de encontrar la fuente de la fuga, determine la causa. Esta acción ayuda a reparar apropiadamente el componente con falla.

Juntas

Revise que los dobleces de contacto estén parejos. Repare las superficies dañadas. Una junta nueva no reparara la fuga.
Revise las siguientes condiciones antes de reparar la fuga:

• Nivel de líquido incorrecto
• Alta presión
• Mal funcionamiento del sistema de ventilación del cárter
• Sujetadores mal apretados
• Daño o suciedad en la cuerda de los sujetadores
• Áreas de sellado o de contacto dañadas o mal dobladas
• Áreas de sellado rayadas con suciedad u otros daños
• Juntas dañadas o desgastadas
• Componente poroso o cuarteado
• Uso de selladores incorrectos

Sellos
Revise las siguientes condiciones antes de reparar la fuga:

• Nivel de líquido incorrecto
• Alta presión
• Mal funcionamiento del sistema de ventilación del cárter
• Cualquiera de las siguientes condiciones en la superficie de sellado:

Ralladuras
Suciedad
Golpes

• Un sello dañado o desgastado
• Instalación inapropiada
• Un componente cuarteado
• Revise la superficie de la flecha por las siguientes condiciones:

Ralladuras
Daño
Golpes

• Un cojinete dañado o desgastado

Diagnóstico de Zumbido de la Banda de Transmisión

Ayudas para el Diagnóstico

La banda de diagnóstico no causará el ruido de zumbido. Si el ruido de zumbido es intermitente, revise los componentes accesorios de mando variando sus cargas y asegurándose de que funcionan al máximo. Tales componentes pueden ser un sistema de aire acondicionado sobrecargado, un sistema de dirección hidráulica bloqueado con el líquido incorrecto o una falla del generador.

Descripción de la Prueba

Los números que se muestran a continuación corresponden al número de los pasos en la tabla de diagnóstico.

3. Esta prueba es para verificar que el ruido es causado por las bandas o los componentes accesorios de mandos. Al sacar la banda, es posible que la bomba de agua no esté funcionando y el motor se recaliente. También, es posible que se establezcan DTC cuando el motor está funcionando sin la banda.

4. La inspección debería incluir una revisión del tensor de la banda y baleros de la polea loca de la banda de mando. Es posible que se deba instalar la banda (o bandas) de mando y operar los componentes accesorios de mando en forma individual, variando sus cargas. Refiérase al componente accesorio de mando sospechado para encontrar información sobre el procedimiento de reemplazo e inspección adecuado.

Diagnóstico de Zumbido de la Banda

Paso

Acción

Si

No

Aviso: Ver aviso para compuesto de bandas en precauciones y avisos.

Definición: Un ruido continuo alto que puede ser causado por un valero defectuoso de un componente accesorio de mando.

1

 

¿Repaso el funcionamiento del sistema de la banda de transmisión y realizó las inspecciones necesarias?

 

Ir al paso 2
Ver sintomas sistema mecanico del motor
2

Verifique que exista un ruido de zumbido.

¿Existe un ruido de zumbido del motor?

Ir al paso 3
Ver ayudas para el diagnositco
3
  • Saque las bandas
  • Haga funcionar el motor por no más de 3040 segundos

¿Todavía existe el ruido de zumbido?

Ver sintomas sistema mecanico del motor
Ir al paso 4
4

Inspeccione si existe un balero de componente accesorio de mando defectuoso.

¿Encontró y reparó la condición?

Ir al paso 5
Ver ayudas para el diagnositco
5

Haga funcionar el sistema para verificar la reparación.

¿Corrigio la condición?

Sistema OK
----------

 

Diagnóstico de Chirrido de la Banda de Transmisión

Paso

Acción

Si

No

DEFINICIÓN: Los siguientes puntos son indicaciones de chillido:

  • Un ruido alto agudo que es escuchado una vez por revolución de la banda de transmisión o de una polea.
  • Normalmente suena en mañanas frescas y húmedas.
  • Verifique la condición salpicando de agua la banda. El ruido debe detenerse momentáneamente

 

1

 

Revise que las poleas se encuentren alineadas.

¿Alguna de las poleas se encuentra desalineada ?

Ir al paso 2
Ir al paso 3
2

Reemplace cualquier polea desalineada.

¿El chillido continua?

Ir al paso 3
Sistema OK
3

Revise que los soportes no esten dañados o doblados.

¿Los soportes estan dañados o doblados?

Ir a l paso 4
Ir al paso 5
4

Reemplace cualquier soporte que se encuentre dañado o doblado.

¿El chillido continua?

Ir al paso 5
Sistema OK
5

Revise que los sujetadores no se encuentren sueltos o dañados.

¿Hay sujetadores sueltos o dañados?

Ir al paso 6
Ir al paso 7
6
  • Apriete cualquie sujetador que se encuentre suelto.
  • Reemplace cualquier sujetador perdido. Ver especificaciones de apriete de sujetadores.

¿El chillido continúa?

Ir al paso 7
Sistema OK
7

Revise que las orillas de la polea no esten dobladas.

¿Hay una orilla doblada?

Ir al paso 8
Ir al paso 9
8

Reemplace la polea.

¿El chillido continúa?

Ir al paso 9
Sistema OK
9

Revise que la banda no tenga un desgaste excesivo, más de 1/3 de la profundidad del canal.

¿Tiene un desgaste excesivo?

Ir al paso 10
---------
10

Reemplace la banda de transmisión. Ver reemplazo de bandas de transmisión.

¿Termino la reparación?

---------
Sistema OK

 

Diagnóstico de Banda de Transmisión que se Sale

Paso

Acción

Si

No

1

 

Revise las poleas por alineación o poleas dobladas.

¿Están desalineadas las poleas?

Ir al paso 2
Ir al paso 3
2

Reemplace las poleas desalineadas o dobladas.

¿La banda de transmisión continúa saliéndose?

Ir al paso 3
Sistema OK
3

Revise que los soportes no esten doblados o cuarteados.

¿Hay soportes doblados o dañados?

Ir al paso 4
Ir al paso 5
4

Reemplace los soportes dañados.

¿La banda de transmisión continúa saliéndose?

Ir al paso 5
Sistema OK
5

Revise que los sujetadores estén bien apretados y que no falte alguno.

¿Hay sujetadores sueltos o perdidos?

Ir a paso 6
Ir al paso 7
6

 

Reemplace cualquier sujetador perdido. Ver especificaciones de apriete de sujetadores.

¿La banda de transmisión continúa saliéndose?

Ir a Paso 7
Sistema OK
7

Revise que la polea de la dirección se encuentre alineada.

¿La polea de la dirección esta desalineada?

Ir al paso 8
Ir al paso 9
8

Alinee o reemplace la polea de la dirección hidráulica. Ver reemplazo de la bomba de la dirección hidráulica en sistema de dirección hidráulica.

¿La banda de transmisión continúa saliéndose?

Ir al paso 9
Sistema OK

 

Paso

Acción

Si

No

9

Revise la banda de transmisión por daño.

¿La banda de transmisión esta dañada?

Ir al paso 10
Ir al paso 11
10

Reemplace la banda de transmisión. Ver reemplazo de bandas de transmisión.

¿La banda de transmisión continúa saliéndose?

Ir al paso 11
Sistema Ok
11

Revise el funcionamiento adecuado del tensor de la banda. Ver reemplazo de bandas de transmisión.

¿El tensor de la banda funciona adecuadamente?

Ir al paso 12
Ir al paso 13
12

Reemplace el tensor de la banda. Ver reemplazo de bandas de transmisión.

¿La banda de transmisión continúa saliéndose?

Ir al paso 13 Sistema OK
13

Revise los rodamientos de las poleas de apoyo y la del tensor por desgaste

¿Están desgastados los rodamientos de la polea de apoyo o de la polea del tensor?

Ir al paso 14
----------
14

Reemplace los rodamientos desgastados.

¿La banda de transmisión continúa saliéndose?

------------
Sistema OK

 

Diagnóstico de Desgaste Excesivo de la Banda de Transmisión

Ayudas para el Diagnóstico

El desgaste excesivo en las bandas es causado, normalmente, por una instalación incorrecta de la banda o la instalación de una banda de transmisión equivocada para la aplicación.

Una desalineación menor de las poleas de la banda de transmisión no causará un desgaste excesivo, pero, probablemente, hará que las bandas produzcan ruido o se caigan.

Una desalineación excesiva de las poleas de la banda de transmisión causará un desgaste excesivo y, también, hará que las bandas se caigan.


Descripción de la Prueba

Los números que se muestran a continuación corresponden al número de los pasos en la tabla de diagnóstico.

2. Esta inspección es para verificar que la banda está instalada correctamente en todas las poleas. El desgaste de la banda de transmisión puede haber ocurrido porque la banda estaba corrida una ranura en la polea como resultado de una mala instalación.

3. La instalación de una banda que es demasiado ancha o demasiado angosta causará desgaste en la banda. Las nervaduras de la banda de transmisión deberían coincidir con todas las ranuras de todas las poleas.

4. Esta inspección es para verificar que las bandas de transmisión no están en contacto con ninguna parte del motor o carrocería mientras el motor está funcionando. Debería haber suficiente espacio cuando la carga de los componentes accesorios de mando de la banda varíe. Las bandas no deberían entrar en contacto con ningún componente del motor o carrocería al activar la mariposa.

Diagnóstico de Desgaste Excesivo de la Banda

Paso

Acción

Si

No

Aviso: Ver aviso para compuesto de bandas en precauciones y avisos.

DEFINICIÓN: Desgaste en las nervaduras exteriores de la banda de transmisión resultante de una mala instalación de la banda.

 

1

Revise la banda para comprobar si existe desgaste, daño, suciedad y rebordes.

¿La banda esta desgastada o dañada?

 

Ir al paso 5
Ir al paso 3
2

Inspeccione que la banda sea la correcta.

¿Encontro la condición?

Ir al paso 5
Ir al paso 4
3

Inspeccione que la banda sea la correcta.

¿Encontro la condición?

Ir al paso 5
Ir al paso 4
4

Inspeccione si existe fricción entre la banda y una ménsula, manguera o arnés de cables.

¿Encontro y reparo la condición?

Ir al paso 5 Ver ayudas para el diagnositco
5
Reemplace la banda. Ver reemplazo de bandas de transmisión Ir al paso 6 ----------
6

Haga funcionar el motor para verificar la reparación.

¿Encontro la condición?

------------ Sistema OK

 

Diagnóstico de Vibración de la Banda de Transmisión

Paso

Acción

Si

No

DEFINICIÓN: La vibración va relacionada con la velocidad del motor. La vibración puede ser sensible a las cargas de los accesorios

 

1

Revise la banda para comprobar si existe desgaste, daño, suciedad y rebordes.

¿La banda esta desgastada o dañada?

 

Ir al paso 2
Ir al paso 3
2

Reemplace conforme sea necesario. Ver reemplazo de bandas de transmisión

Ir al paso 3
---------
3

Revise que los sujetadores estén bien apretados y que no falte alguno.

¿Hay sujetadores sueltos o perdidos?

Ir al paso 4
Ir al paso 5
4

Apriete o reemplace conforme sea neceario.

¿Terminó la reparación?

Sistema OK ----------
5

Revise si las poleas estan dañadas o dobladas.

¿Hay poleas dañadas o dobladas?

Ir al paso 6 Ir al paso 6
6

Repare o reemplace conforme sea necesario.

¿Terminó la reparación?

Sistema OK ----------
7
Revise el funcionamiento adecuado del tensor de la banda. Ver reemplazo de bandas de transmisión Ir al paso 9 Ir al paso 8
8

Reemmplace conforme sea necesario. Ver reemplazo de bandas de transmisión.

¿Termino la reparación?

Sistema OK
-----------
9

Revise por soportes sueltos, doblados o cuarteados.

¿Hay soportes sueltos, doblados o cuarteados?

Ir al paso 10
Sistema OK
10

Repare o reemplace los soportes conforme sea necesario.

¿Terminó la reparación?

Sistema OK
----------

 

Diagnóstico de Retumbo de la Banda de Transmisión

Paso

Acción

Si

No

DEFINICIÓN:

  • Un ruido de golpeteo causado por una banda de transmisión desalineada.
  • Este ruido ocurre en arranques en friío y en marcha mínima.
  • Un ruido de baja frecuencia una vez por cada revolución
1

Revise que la banda no tenga un desgaste excesivo.

¿Tiene un desgaste mayor de 1/3 de la profundidad de la canaleta?

Ir al paso 2
Sistema OK
2

Limpie las poleas de la banda de transmisión. .

¿Terminó la reparación?

Sistema OK
Ir al paso 3
3

Instale una banda de transmisión nueva. Ver reemplazo de bandas de transmisión

¿Termino la reparación?

Sistema OK
---------

 

Diagnóstico de Chillido de la Banda de Transmisión

Paso

Acción

Si

No

DEFINICIÓN: Los siguientes puntos son indicativos de rechinido en la banda de transmisión

  • Un ruido muy agudo y fuerte causado por el patinado de la banda de transmisión (esté es un caso poco usual para una banda de transmisión con rebordes múltiples)
  • El ruido ocurre cuando se aplica una carga a la banda de transmisión, tal como la aplicación del aire acondicionado, una aceleración repentina o el patinado de la banda en una polea amarrada.
1

Revise si la polea esta mal alineada

¿La polea esta mal alineada?

Ir al paso 3
Ir al paso 2
2

Revise que la banda es del rango adecuado. Ver reemplazo de bandas de transmisión.

¿La banda de transmisión es del largo adecuado?

Ir al paso 4
Ir al paso 5
3

Repare o instale partes nuevas conforme sea necesario.

¿Termino la reparación?

Sistema OK
----------
4

Revise el funcionamiento adecuado del tensor de la banda. Ver reemplazo de bandas de transmisión

¿El tensor de la banda funciona adecuadamente?

Ir al paso 3
Ir al paso 5
5

Revise que las poleas sean del tamaño adecuado.

¿Las poleas son del tamaño adecuado?

Ir al paso 6
Ir al paso 3
6

Revise por rodamientos amarrados.

¿Hay un rodamiento amarrado?

Ir al paso 3
Sistema OK

Prueba de Presión de Aceite del Motor

Herramientas Requeridas

KM498B Manómetro de Presión de Aceite
KM135 Adaptador

Importante: motor a temperatura normal del aceite >/= 80°C/176°F.

1. Con el vehículo en una superficie nivelada, permita algún tiempo para el drenaje (23 minutos) y mida si existe un nivel bajo del aceite de motor.

Agregue el aceite de motor del grado recomendado y llene la caja del cigüeñal hasta que el nivel de aceite esté en la marca "FULL" (LLENO) del indicador de nivel de aceite.

2. Haga funcionar el motor y verifique si el medidor de presión de aceite del vehículo o la luz del indicadora de aceite muestra que existe baja o ninguna presión de aceite.

Escuche si existe un ruido del tren de válvulas o de golpe del motor.

3. Inspeccione si existe lo siguiente:

• Aceite de motor diluido por humedad o mezclas de combustible no quemadas.
• Viscosidad de aceite incorrecta para la temperatura esperada.
• Sensor del medidor de la presión del aceite incorrecto o defectuoso.
• Medidor de la presión del aceite incorrecto o defectuoso.
• Filtro de aceite bloqueado
• Válvula de desviación del filtro de aceite fallando.

4. Saque el switch de presión de aceite (1).

chevy

5. Atornille el KM498B junto con el KM135 en el agujero roscado del switch de presión de aceite.

6. Encienda el motor y permita que llegue a la temperatura de funcionamiento normal.

chevy

7. Mida la presión del aceite de motor a las siguientes RPM:

Especificación

7.1. 42 kPa (6 psi) (mínimo) a 1,000 RPM
7.2. 125 kPa (18 psi) (mínimo) a 2,000 RPM
7.3. 166 kPa (24 psi) (mínimo) a 4,000 RPM

8. Si la presión del aceite del motor es menor que las especificaciones mínimas, revise el motor para verificar si existe una o más de las siguientes condiciones:

• Bomba de aceite desgastada o sucia

• Falla de la válvula de alivio de la presión de la bomba de aceite.

• Malla de la bomba de aceite está floja, bloqueada o dañada.

• Espacio excesivo entre los baleros.

• Galerías de aceite con fisuras, porosidad o bloqueadas.

• Tapas de las galerías de aceite del bloque del motor que están faltando o instalado incorrectamente.

• Levantadores de válvulas rotos.

9. Saque el adaptador y medidor de la presión de aceite.

10. Instale el switch de presión de aceite y apriételo.

Aviso: ver Aviso para Sujetadores en Precauciones y Avisos.

Apriete el switch de presión de aceite a la bomba de aceite a 30 N•m (22 lb pie).

11. Llene el motor con aceite hasta que la bayoneta de aceite marque "MAX".

12. Encienda el motor y revise por fugas.

Medición de Consumo de Aceite del Motor

El termino "consumo de aceite" en un motor de combustión interna se refiere a la cantidad de aceite usada como consecuencia de la combustión. El consumo de aceite no debe ser confundido con la perdida de aceite causada por fugas de aceite en el cárter o en la tapa de las válvulas.

La tarea del aceite de motor es la siguiente:

1. Separar las superficies que resbalan una con otra con una película de aceite, previniendo la fricción en seco de los componentes.

2. Disipar o conducir el calor producto de la fricción.

2. Sacar los residuos de la combustión.

Nota: estas tareas están asociadas con un cierto consumo de aceite, por consecuencia la espectativa muy frecuente del desarrollo de un motor de combustión interna de no consumir aceite no tiene sentido. Sin embargo, condiciones de funcionamiento exteriores, modos de manejo y las tolerancias de manufactura tienen un cierto efecto en el consumo de aceite. En un caso normal éste consumo es tan bajo que no es requerido rellenar o si es requerido, la cantidad requerida es mínima entre los períodos de cambio de aceite. Sin embargo, es absolutamente necesario rellenar cuando el nivel marcado por la bayoneta de aceite cae abajo de la menor marca. Por otro lado, debe asegurar que la cantidad de aceite no rebase la marca máxima lo que podría llevar al consumo excesivo de aceite. Ya que técnicamente es necesario que un motor consuma aceite, la determinación de que un motor no consume nada aceite debe llevar a la conclusión de que el aceite ha sido diluido como resultado de ciertas condiciones de funcionamiento. Arranques en frío constantes, manejos a temperaturas extremadamente bajas, etc., tienen el resultado que el aceite que fluye de regreso al cárter se mezcla con componentes de la gasolina con altos coeficientes de ebullición y se condensan lo que " diluye" el aceite y lleva a asumir erróneamente que el motor no consume nada de aceite. El aceite diluido pierde sus propiedades de lubricante lo que puede llevar a una falla en el motor si no se observan los cambios periódicos de aceite. Las principales causas de aceite diluido son el manejo del tráfico de la ciudad y el manejo constante a bajas velocidades, con cambios en la transmisión altos cuando el motor está frío. La medición de consumo de aceite sólo provee resultados realistas después de haber manejado aproximadamente 7500 km ya que el consumo de aceite solo se vuelve estable después de unos cuantos miles de kilómetros. Antes de medir el consumo, asegure que el motor no pierde aceite como resultado de una fuga.


Aviso: la bayoneta de aceite sólo puede ser usada para verificar el nivel pero no para medir la cantidad de aceite. El motor debe ser siempre apagado por 2 minutos antes de verificar el nivel de aceite. Si, después de un cambio de aceite el llenado de aceite no coincide con la marca superior de la bayoneta, puede ser atribuido a tolerancias de manufactura.


Toda la información de la cantidad permisible de consumo de aceite y cantidades de llenado están incluidas en el Manual del Propietario.

Método de Medición

1. La inspección es llevada acabo en una superficie horizontal con el motor a temperatura de funcionamiento con una temperatura de aceite del motor mínima de 80°C (176°F).

2. Drene el aceite del motor inmediatamente después de apagar el motor tiempo de drenado aproximado de 30 minutos (éste valor fue determinado con experimentos).

3. La cantidad de aceite de motor drenada es determinada en un cilindro de medición y aceite fresco es añadido a la máxima cantidad de llenado de aceite del motor, menos el volumen del filtro de aceite no cambiado.

4. Usando está cantidad de aceite de motor, el cliente debe manejar por lo menos 1000km/625 millas sin rellenar de aceite (el conductor debe conservar sus rutas y condiciones de manejo normales).

5. El procedimiento descrito anteriormente (paso 1 y 2) es repetido con exactamente el mismo tiempo de drenado del aceite del motor.

6. La cantidad de aceite "faltante" del cilindro de medición es el consumo de aceite con respecto a la distancia recorrida.

7. El consumo de aceite es calculado como a continuación se describe:

A) Cantidad de aceite al llenado aceite drenado x1000 = Consumo de aceite
B) Cantidad (l/1000 km)
C) Distancia actualmente recorrida (km)  

 

Inspección de Compresión

Importante: motor a temperatura de funcionamiento, temperatura de aceite >/= 80°C (176°F). Use el grabador de compresión con el cono de hule y rango hasta 1750 kPa (255 PSI).

1. Asegúrese de que las baterías del vehículo estén en buenas condiciones y completamente cargadas.

2. Haga funcionar el vehículo hasta llegar a una temperatura de funcionamiento normal.

3. Verifique la velocidad de encendido del vehículo. Se debe cumplir la velocidad mínima de encendido de 300 rpm para obtener resultados válidos en la prueba.

4. Desconecte el enchufe del cable (1) positivo de la bobina de encendido.

chevy

5. Desconecte el conector eléctrico del inyector de combustible.

6. Saque todas las bujías de encendido.

Aviso: no inserte objetos dentro de la abertura de la placa de mariposa. Se pueden producir daños al cuerpo de mariposa, lo que requerirá el reemplazo del ensamble del cuerpo de mariposa.

7. Coloque el acoplamiento de mariposa en la posición completamente abierta.

8. Instale el medidor de compresión de cilindros del motor.

chevy

9. Usando el motor de arranque del vehículo, gire (arranque) el motor por cuatro carreras de compresión para el cilindro que se está probando. Si el motor gira más de cuatro carreras de compresión, se debe probar el cilindro de nuevo.

10. Registre la lectura de compresión.

11. Saque desde el cilindro que está siendo probado, el medidor de compresión del cilindro del motor.

12. Repita desde el paso 8 al paso 11 para cada cilindro adicional. Se deben probar todos los cilindros para obtener resultados válidos.

13. Revise las lecturas de compresión.

• Normal: la compresión aumenta rápida y equitativamente según la compresión especificada mayor o igual a la relación psi.

• Fuga: la compresión es baja en la primera carrera de compresión. La compresión aumenta con las carreras siguientes, pero no llega a la compresión especificada.

14. Si cualquier cilindro tiene una compresión baja, se debe inyectar aproximadamente 15 ml (1 oz) de aceite de motor en el cilindro por medio del orificio de la bujía de encendido.

15. Repita desde el paso ocho hasta el once para todos los cilindros de baja compresión.

16. Revise las lecturas de compresión.

• Fugas de los Anillos de Pistón: compresión es baja en la primera carrera de compresión. La compresión aumenta en las siguientes carreras, pero no llega a ser normal. La compresión mejora considerablemente al agregar aceite

• Fugas de Válvula: compresión es baja en la primera carrera de compresión. La compresión no aumenta en las siguientes carreras y no llega a ser normal. La compresión no mejora mucho, si es que mejora algo, al agregar aceite.

• Fuga de la Junta de Cabeza: compresión es baja en la primera carrera. La compresión no aumenta en las siguientes carreras y no llega al nivel normal. La compresión no mejora mucho, si es que mejora algo, cuando se agrega aceite. Los cilindros adyacentes presentan la misma o semejante lectura de compresión baja.

17. Si uno o más de los cilindros no cumple la compresión mínima especificada, se deben reparar o reemplazar todos los componentes dañados o desgastados y probar el motor de nuevo.

Medición de la Temperatura del Aceite del Motor

Herramientas Requeridas

MKM596A Indicador de Temperatura

1. Inserte la herramienta MKM596A (1) en la guía de la bayoneta de aceite en vez de la bayoneta, hasta que toque el fondo y sáquela 1 cm.

chevy

2. Selle el tubo guía de la bayoneta con un tapón de hule, el tapón de hule es parte de la herramienta.

Nota: la temperatura del aceite depende respectivamente de la carga en el motor. Precaución: con cargas excesivas se pueden alcanzar temperaturas de aproximadamente 150°C.

3. Después de la medición remueva el probador y el tapón de hule.

4. Instale la bayoneta de aceite.


Inspección de la Pérdida de Presión del Motor

Importante: motor a temperatura de funcionamiento, temperatura de aceite >/= 80°C/176°F.

Procedimiento de Desinstalación

Precaución: ver Precaución para Desconexión de la Batería en Precauciones y Avisos.

1. Desconecte el cable de tierra de la batería.

2. Saque el tapón de aceite del motor (2), el tapón del tanque de compensación del refrigerante (3), la bayoneta del aceite (4), filtro de aire y tubo de entrada de aire (1). De tal forma que pueda observar o escuchar cualquier fuga de aire comprimido.

chevy

3. Saque la cubierta superior de la banda de distribución del motor.

4. Saque todas las bujías.

5. Coloque el pistón #1 en la marca de punto muerto superior (1) (TDC).

Importante: las marcas de la polea del árbol de levas y la cubierta trasera deben quedar alineadas. La marca en la cubierta inferior debe alinear con la marca en la polea del cigüeñal.

chevy

Procedimiento de Instalación

1. Conecte el probador de perdida de presión al sistema de aire comprimido del taller y calibre el probador observe las instrucciones del fabricante.

2. Atornille el adaptador al orificio de la bujía #1 y conecte el probador de perdida de presión del...

Esta es solo una pequeña lección de ejemplo, para adquirir el manual completo te recomendamos El Manual Mantenimiento y Reparaciones Chevrolet Chevy