Manuales
Gratis
  Manuales
Volkswagen 
  Manuales
Ford 
  Manuales
Nissan 
  Otras
Marcas
 

 

Manual de mantenimiento y reparaciones Volkswagen Pointer

 

Esta solo es una pequeña lección de ejemplo, para descargar el manual completo dale click aquí

Ubicación de los sistemas electrónicos

Aplicable para modelos 2000 y posteriores

El Volkswagen Pointer después del modelo 2000 pasó por un proceso de innovaciones tecnológicas desarrollando sistemas que aseguran y mejoran de manera notable el confort y la seguridad del usuario del vehículo.

Con el objetivo de mantener al personal de la Red de Concesionarios VW capacitado, se elaboró este cuaderno sobre las modificaciones efectuadas en estos vehículos, para que usted.,del área de taller, pueda ejecutar las reparaciones con calidad.

Lea con atención su contenido, para su total aprovechamiento, y asegurar así el éxito del Volkswagen Pointer y la total satisfacción del cliente.

Consulte de manera habitual el Manual de Reparaciones y los Boletines Técnicos antes de ejecutar el mantenimiento/reparaciones en los vehículos Volkswagen. Las piezas aquí presentadas tienen solamente una finalidad didáctica, por lo tanto, no las utilice como referencia para solicitar refacciones.

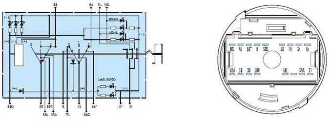
Cuadro de instrumentos

Un nuevo concepto de cuadro de instrumentos fue introducido en el Volkswagen pointer. El cuadro de instrumentos posee una superficie negra con iluminación translúcida hecha por "leds" azules e indicadores iluminados en rojo, a partir de su eje de giro. Esas características de construcción siguen el mismo patrón mundial del Grupo Volkswagen. El cuentarrevoluciones y el indicador de temperatura son de serie para todas las versiones de vehículo. Los mandos de las luces y de los indicadores están integrados, formando un único conjunto, libre de mantenimiento. Dos indicadores grandes indican las revoluciones del motor y la velocidad del vehículo, así como dos pequeñas centrales indican la temperatura del motor y el nivel del combustible. El cuadro de instrumentos es diagnosticado por el VAG 1551, a través de la dirección 17. El número de referencia de la pieza para consulta es 377.919.033, más los prefijos de acuerdo con la terminación.

Nota: En caso de que aparezca la sigla "dEF" en el display de cristal líquido, significa que existe error en el procesador, y es necesario sustituir el cuadro de instrumentos.

Tabla de aplicación del cuadro de instrumentos

Cuentarrevoluciones

El sistema de inyección es controlado a través de un aparato que impide que el motor trabaje en revoluciones críticas. Esto hace que se mantenga la durabilidad del motor, además de aumentar su desempeño.

Indicador de temperatura

Para versiones con motor EA827 (AP)

La tabla abajo destaca las diferencias técnicas con relación a la resistencia eléctrica

Nota: pla luz piloto se deberá encender y permanecerá parpadeando con temperatura superior a 124 ºC y se apagará como máximo a 5 ºC abajo del punto de conmutación.


Indicador de combustible

Un "led" piloto se enciende cuando el nivel de combustible es inferior a 8 litros (190 +/- 10 ), respetando los tiempos de retardo.

La tabla siguiente indica los valores para referencia:

Indicadores luminosos

El cuadro al lado indica la posición de los "leds".

La tabla siguiente muestra las funciones de los mismos:

Señales de Instrumentos

Diagnóstico

DIRECCIÓN 17

CUADRO DE INSTRUMENTOS
En esta dirección se diagnostica al cuadro de instrumentos.

FUNCIÓN 01

Se muestra la unidad de:
- Cuadro de instrumentos

Esta solo es una pequeña lección de ejemplo, para descargar el manual completo dale click aquí

FUNCIÓN 03

Actuadores:
- Indicaciones analógicas
Agujas de líquido refrigerante, tacómetro, velocímetro y combustible.
- Testigo luminoso del cuadro de instrumentos
- Aviso cinturón
- Segmentos de pantallas


FUNCIÓN 07

Código: Siempre 00042

Dirección 17

CUADRO DE INSTRUMENTOS

FUNCIÓN 10 ADAPTACIÓN

CANAL 9

En este caso de cambio de cuadro de instrumentos se debe de poner el kilometraje del dañado al nuevo.
La adaptación sólo es posible una vez y que el cuadro de instrumentos nuevo no tenga menos de 100 km. de recorrido


PROCESO PARA EL CANAL 09

  1. Entrar primero por la función- 11 Procedimiento de Acceso- con el código 13861
  2. Entrar al canal 09 de la función Adaptación y digitar kilometraje deseado Ej. 89,627 se introduce el número 08963

CANAL 30

Con esta función se puede desplazar la curva característica de resistencia del transmisor del depósito de combustible, para de corregir eventualmente un transmisor en posición oblicua.

Ej. El valor en el VAG 1551 es de 128

- El canal de adaptación 128 es la curva característica media del transmisor del depósito de combustible, ajustada de fábrica.

- El valor de resistencia de curva característica del transmisor del depósito de puede variar en + - 8 ohmio respecto al valor de adaptación.

- Los valores de adaptación pueden variar de 120 a 136 y se digitan agregándoles dos ceros por ejemplo 00120.


Dentro de esta función se pueden efectuar las siguientes modificaciones:

  • Corrección de la indicación de consumo (Solo vehículos con multifunciones)
  • Cambio de idioma (Solo vehículos con sistema autochequeo)
  • Cambio de los periodos y reseteo de indicador de intervalos de servicio (SIA)
  • Correcciones a las menorías al sustituir el cuadro de instrumentos
  • Corrección de la curva característica del transmisor del depósito de combustible

CANAL FUNCIÓN DE ADAPTACIÓN
09 Indicación de kilometraje (Cambio del cuadro de instrumentos)
30 Adaptación de la curva característica del transmisor del depósito de combustible.


Bloque de valores
Función 08 - Leer Bloque de Valores de Medición

Conectores del cuadro de instrumentos

Arnés

En función de la oferta modular, hubo comunicación de los arneses considerando las variables de las terminaciones. La consecuencia de todo esto fue la reducción del número de arneses y el aumento de combinaciones (SEQ) para 1500 tipos de opciones.


Las principales ventajas para la marca son:

  • Menor número de piezas para stock y logística.
  • Mejor control de calidad en la producción
  • Mayor confianza en el montaje

La principal ventaja para el cliente:

  • Es posible, a partir de un vehículo básico, instalar una gran cantidad de opcionales sin alterar las características originales del vehículo, sin perder la garantía ni comprometer la seguridad contra cortocircuitos.

La principal ventaja para el concesionario:

  • Existe mayor posibilidad de instalación de accesorios en menor tiempo, sin alterar el arnés, aumentando la rentabilidad del mercado de ventas de accesorios.

Existen 7 tipos de arneses principales, y cada uno con una serie de variables.

Esta solo es una pequeña lección de ejemplo, para descargar el manual completo dale click aquí

Paso del arnés en el tablero

La ilustración abajo muestra el paso del arnés para efecto de reparaciones. Para tener una buena calidad en las reparaciones se aconseja respetar este paso y, principalmente, fijar los cables con cintas para que no hagan ruido cuando se está en movimiento, así como para disminuir la posibilidad de que se produzca un cortocircuito por causa de los roces

4. Arnés trasero

En este caso existen 4 tipos por modelo (Pointer y Station wagon), y las variantes de arnés son:

  • Alarma
  • Limpiador y lavador del cristal trasero
  • Abertura eléctrica del maletero
  • Cerradura
  • Faro antiniebla trasera.

Las terminaciones comunes son idénticas al del arnés del tablero.


5. Arnés de la tapa trasera

Existen 3 tipos de arneses para cada modelo Pointer y Statión Wagon y la variante viene con o sin alarma.

6. Arnés de la puerta delantera

Existen 9 tipos de arnés, y las variables son;

  • Alarma
  • Sonido
  • Espejos eléctricos
  • Cristales eléctricos

7. Arnés de la puerta trasera

Este arnés es el mismo, tanto del lado izquierdo como del derecho, y funciona tanto en el Pointer como en la Station Wagon

Otros

Porque son circuitos exclusivos y cerrados, los siguientes sistemas poseen su propio arnés:
*Alarma keyless (con control remoto)

Conectores entre arneses
Para simplificar las conexiones entre los arneses, hay conectores instalados entre ellos en los postes A izquierdo y derecho

Relés

Los relés están instalados en la posición vertical, disminuyendo la posibilidad de falta de contacto por causa de las vibraciones. Los relés tienen el mismo color de la etiqueta en la central eléctrica. Cuando el vehículo no tiene temporizador en el limpiador de parabrisas, en la posición 1, es instalada una barra de conexión número 2BA937817.

Del lado izquierdo de la central eléctrica existen dos relés identificados, conforme ilustración.

Soporte auxiliar

En el soporte auxiliar, atrás de guantera, están montados los relés identificados, conforme la tabla abajo:

Identificación de los Fusibles

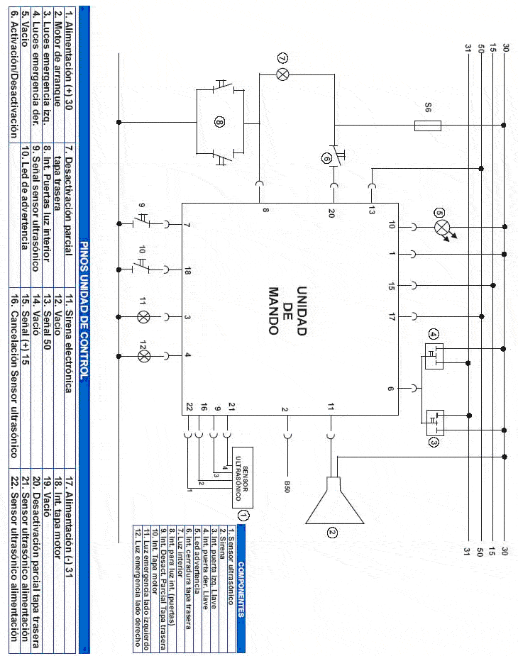
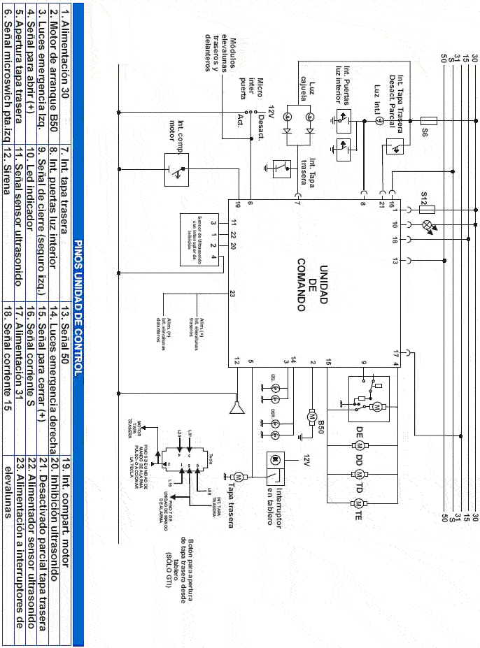
Sistema de alarma

Existen 3 tipos de alarmas de serie en el Volkswagen Pointer

  • LOW
  • ACC
  • TOP

Los interruptores de la tapa trasera están ubicados de acuerdo con la ilustración abajo

Esta solo es una pequeña lección de ejemplo, para descargar el manual completo dale click aquí

Para abrir la tapa trasera con de la tecla en la consola, hay un motor eléctrico en la parte inferior de la tapa, y el motor de mando del bloqueo central está en la parte superior.

Alarma low

Alarma accesorio R.F.

Alarma Top

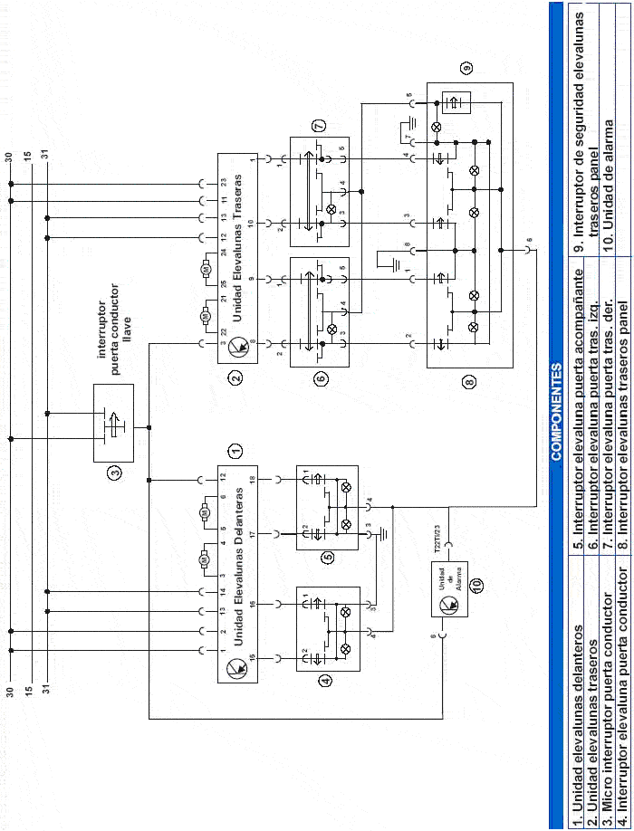
Elevalunas eléctricos

Esta solo es una pequeña lección de ejemplo, para descargar el manual completo dale click aquí

Mando a distancia

Procedimiento para la adaptación de comandos

Atención: Los comandos remotos no pueden ser accionados por un período de 3 horas antes de codificar un vehículo. De la misma forma si la unidad de comando de alarma fue desenergizada. La adaptación de comandos solo será posible 3 horas después de ser restablecida la alimentación eléctrica.

  • La unidad de comando de la alarma solo tendrá capacidad para almacenamiento de 2 comandos.
  • Siempre que una adaptación es realizada los códigos (comandos) anteriores son eliminados de la memoria de unidad de comando.
  • Para una nueva adaptación, todos los comandos deben estar disponibles para ser almacenados (codificados) uno después el otro.
  • Siempre que una codificación sea terminada (adaptación de todos los comandos), una próxima recodificación solamente podrá ser efectuada 3 horas después del reconocimiento del último comando.

Para adaptar los comandos, la alarma deberá estar desactivada.

  1. Coloque la llave en la chapa de la puerta del conductor.
  2. Gire la llave en sentido de abrir (sentido contrario a las manecillas del reloj)

  1. Mantenga la llave en sentido de abrir y al mismo tiempo, apriete varias veces la tecla de comando que tiene el diseño de la llave hasta que se aseguren y enseguida se desaseguren las puertas.
  2. Regresar la llave a posición de reposo.

En caso de que sea necesaria la programación de un comando más, repita el procedimiento en no mas de 2 minutos. Después de este período el módulo sólo permitirá nueva programación después de 3 horas.

Elementos Electrónicos

El Volkswagen Pointer 2000 con alarma top utiliza elevadores eléctricos que tienen la función de un solo toque y también activación mientras permanezca presionado el botón para elevalunas.

El conductor tiene a su alcance los botones en la parte central del panel de instrumentos para controlar los elevalunas delanteros y en su caso los elevalunas traseros para los autos con cuatro puertas.

Las puertas traseras tienen un botón para que los ocupantes de las plazas traseras puedan también controlar su elevalunas correspondiente, siempre que el interruptor de seguridad en el panel de instrumentos alimente a estos interruptores.

La función de un solo toque se consigue en cualquier botón de elevalunas presionándolo brevemente. Si el botón es presionado por más de un segundo el elevalunas funcionará mientras se mantenga el accionamiento del botón, ya sea para subir o bajar.

Los elevalunas delanteros son controlados por un módulo electrónico ubicado del lado derecho de la central eléctrica, a un costado de la columna de dirección, si el auto es de cuatro puertas el módulo para los elevalunas traseros se encuentra en el panel izquierdo detrás de la caja de rueda.

Estos módulos cuentan con alimentación (+)15, (+)30 y 31(-) independientemente. La alimentación a los botones para elevalunas se consigue por el pino número 23 del módulo de alarma, mientras ésta cuente con alimentación (+)15 y una alimentación temporizada por un minuto cuando se desconecta la alimentación (+)15 al módulo de alarma.

El cierre simultáneo de las ventanas junto con la activación de la alarma se lleva a cabo a través del cilindro de la cerradura de la puerta del conductor o a través del mando a distancia. La apertura del auto y desactivación de alarma se consigue a través del cilindro de la cerradura de la puerta del conductor o con el mando a distancia sin que las ventanas bajen.

Conjunto óptico

Delantero
El conjunto óptico del Volkswagen Pointer tiene un nuevo diseño e incorpora una tecnología especial a través de su construcción y potencia de iluminación.

La lente enteriza, totalmente transparente y construida en Policarbonato (PC), comprende la luz de faro y de la direccional, lo que permite visualizar el interior del faro con parábolas reflectoras y cúpulas sobre las lámparas con detalles estilísticos.

La ejecución de la lente totalmente transparente es conseguida por medio de la tecnología empleada en las parábolas reflectoras, que por ser de material plástico (termo-fijo) permite que se alcance una precisión adecuada en el haz de luz, lo que elimina prismas ópticos en la lente (refracción), obteniéndose así una mejor distribución de la luz y un aumento de eficiencia (aproximadamente de 15%).

La lente en PC está revestida con un barniz para protegerla de los rayos ultravioletas (UV).

Existen dos tipos de faros:
- Uno con un reflector y una lámpara de dos filamentos para las luces baja y alta. En ese caso cuando se enciende el faro alto se apaga el faro bajo.

Faro antiniebla

El Volkswagen Pointer está equipado con un nuevo diseño de faro antiniebla, a ejemplo del Golf, desarrollado con tecnología de bloque óptico semi-elipsoidal (en forma de huevo) y con lentes semiesféricas, que permite una disminución en el área frontal y un aumento de la eficiencia con relación a los sistemas convencionales de alrededor del 20%. Otra novedad, es una pantalla localizada entre el reflector y la lente que reduce las posibilidades de deslumbramiento de los conductores que vienen en sentido opuesto, garantizando una mayor seguridad. Esta construcción resulta en un haz de luz intenso, uniforme y ancho con foco mirando hacia el suelo. Las lámparas se pueden cambiar por separado y el conjunto permite la regulación del haz de luz El interruptor del faro antiniebla está integrado con el interruptor de las luces. Para conectarlos, basta tirar del interruptor y colocarlo en el 1º o 2º punto.

Luces traseras

Desarrollados con tecnología de superficie compleja, presenta un aspecto diferente con relación a las tradicionales, y juntamente con la metalización interior de la parábola hace posible una mayor eficiencia (20%), que garantiza mejor visualización en cualquier condición.

Interruptores de iluminación

Abajo se ilustra el esquema eléctrico interior y al lado la identificación de las terminales. De acuerdo a la posición del interruptor de luces, se alimentarán cuartos, luces y faros de niebla

Interruptor de la cajuela

Para abrir la tapa, apriete el interruptor correspondiente en la consola central (por seguridad, el sistema no permitirá que se abra la tapa, con el encendido conectado).

Con la tapa abierta, una luz indicadora permanecerá parpadeando en el interruptor, localizado en el tablero. Si se conecta el encendido en esa situación, será emitida una señal sonora durante algunos segundos.

En virtud de que este mando abre la tapa y no simplemente la destraba, asegúrese siempre que ella ha sido cerrada después de utilizar esta función.

Teclas del tablero

Los mandos están ubicados debajo de los difusores de aire.En el lado izquierdo está la tecla de mando de los espejos y el interruptor de luces. El interruptor de las luces incorpora el mando de los faros antiniebla. Para removerlo, basta presionarlo hacia dentro y girarlo hacia la 1a. fase.

En el lado derecho tenemos las siguientes teclas en secuencia:

  1. Cristal delantero izquierdo
  2. Cristal trasero en conjunto con el bloqueo
  3. Luz de emergencia
  4. Desempañador temporizado por 20 minutos
  5. Abertura del maletero
  6. Cristal delantero derecho.

Conforme ilustración abajo:

A pesar que el cuadro de instrumentos es de la misma familia del Golf y Passat, el sistema inmovilizador tiene su unidad localizada fuera del cuadro de instrumentos.

El sistema es de 3a. generación o sea, usa un código variable todas las veces que se use la llave (criptográfico), junto con un código fijo.

Todas las orientaciones de diagnósticos y reparaciones permanecen inalteradas.

La unidad lógica está localizada debajo del tablero de instrumentos, en la pared interna izquierda de la consola, conforme indica la ilustración.

La bobina que sirve como una especie de antena, está localizada alrededor del cilindro del encendido y se puede sustituir separadamente.

En la llave con "chip transponder" viene grabado el mismo símbolo del indicador en el instrumento combinado.

Flujo de las informaciones

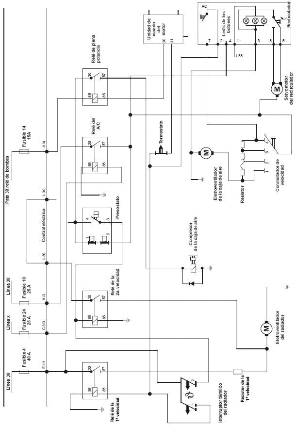
Aire acondicionado

Mandos eléctricos - Todos los vehículos con aire o sin aire acondicionado tienen cuatro velocidades de regulación del flujo de aire hacia el interior del vehículo.

  • El botón de mando de ventilación fue modificado para tener un giro de 360º , facilitando su operación y permitiendo que el conductor del vehículo pueda adecuar la dirección del flujo de aire con más comodidad.
  • El rele doble del sistema de refrigeración fue sustituido por dos relés universales.
  • El mejor equilibrio térmico en el interior del vehículo es consecuencia de una mejor distribución de aire hecha a través de los difusores de aire frontales y por menores variaciones de temperatura de aire en el interior del vehículo, tanto en situaciones críticas (marcha lenta) como también en situaciones normales de funcionamiento, conseguidas a través de mejoras en la capacidad de refrigeración y calentamiento del sistema de aire acondicionado del Pointer 2000
  • Evaporador con mayor eficiencia y paso para el flujo de aire.
  • Carga de gas - 750gr.

Esquema eléctrico

Esta solo es una pequeña lección de ejemplo, para descargar el manual completo dale click aquí